Klikové matice pro utěsnění z uhlíkové oceli jsou typem spojovacího prvku používaného pro připojení tenkých desek nebo plechových kovů. Jsou vyrobeny z uhlíkové oceli, temperovaných a ukončených, aby se zvýšila tvrdost, a povrch je galvanizovaný nebo jinak vyroben odolný vůči korozi.
Těsnicí kliningová matice je docela jednoduchá, můžete použít standardní pneumatické nebo hydraulické klinové nástroje. Takto to funguje: Nejprve vložte matici do předem dějené díry, poté pomocí tlaku použijte punč a sadu. Die stiskne plechový kov kolem límce matice a vytváří pevný mechanický zámek v jednom rychlém kroku.
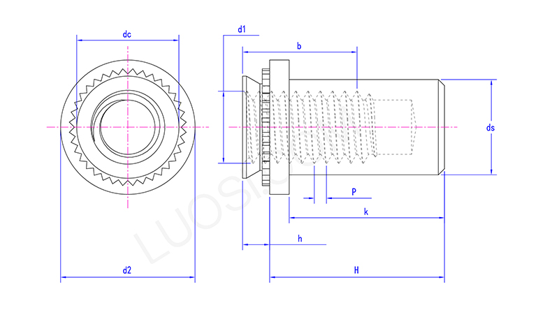
| Mon | M3-1 | M3-2 | M4-1 | M4-2 | M5-1 | M5-2 | M6-1 | M6-2 |
| P | 0.5 | 0.5 | 0.7 | 0.7 | 0.8 | 0.8 | 1 | 1 |
| DS Max | 3.84 | 3.84 | 5.2 | 5.2 | 6.35 | 6.35 | 8.75 | 8.75 |
| DC Max | 4.2 | 4.2 | 5.38 | 5.38 | 6.33 | 6.33 | 8.73 | 8.73 |
| B min | 5.3 | 5.3 | 7.1 | 7.1 | 7.1 | 7.1 | 7.8 | 7.8 |
| H max | 0.91 | 1.38 | 0.97 | 1.38 | 0.97 | 1.38 | 1.38 | 1.38 |
| H max | 9.85 | 9.85 | 11.45 | 11.45 | 11.45 | 11.45 | 14.55 | 14.55 |
| H min | 9.35 | 9.35 | 10.95 | 10.95 | 10.95 | 10.95 | 14.05 | 14.05 |
| K Max | 8.5 | 8.5 | 9.8 | 9.8 | 9.8 | 9.8 | 12.7 | 12.7 |
| D2 max | 6.6 | 6.6 | 8.2 | 8.2 | 9 | 9 | 11.35 | 11.35 |
| D2 min | 6.1 | 6.1 | 7.7 | 7.7 | 8.5 | 8.5 | 10.85 | 10.85 |
| D1 | M3 | M3 | M4 | M4 | M5 | M5 | M6 | M6 |
Utěsňující matice uhlíkových ocelí jsou definovány měřením klíčů: velikost vlákna (jako je M4, M5, M6 nebo 1/4 "-20), průměrem límce, celkovou výšku, rozměry utěsňování pračky a rozsah tloušťky listu, se kterými pracují (jak min, tak maximální). Můžete je získat ve standardních metrických nebo imperiálních nitích.
Jejich síla kliniky (jak dobře odolávají vytlačení nebo zkroucení) je testována podle průmyslových standardů (Think ISO, DIN, IFI). Sbírání správné velikosti je velký problém, zajišťuje, aby těsnění drželo a matice je pro tuto práci dostatečně silná.
Chcete -li nainstalovat matici utěsňovací matice z uhlíkové oceli, potřebujete specializovaný nástroj pro klinci a sadu zemí, která přesně odpovídá velikosti matice. Nejprve vložte matici do předem dějené díry do plechu. Poté nástroj aplikuje řízený tlak, díky kterému se pilot matice a knurl klesá do okolního kovu. Tento proces formování chladu zamkne matici z nerezové oceli na místě pro dobro a zároveň vrhá vestavěnou těsnicí podložku proti panelu. Takto vytváří těsnění odolné proti úniku, díky kterému jsou tyto ořechy jedinečné.
