|
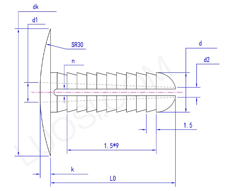
Po |
Φ6 |
Φ8 |
Φ10 |
|
d max |
6 | 8 | 10 |
|
d min |
5.8 | 7.8 | 9.8 |
|
dk max |
16.2 | 16.2 | 18.2 |
|
dk min |
15.8 | 15.8 | 17.8 |
|
k max |
1.6 | 1.6 | 2.1 |
|
k min |
1.4 | 1.4 | 1.9 |
|
L0 |
20 | 20 | 22 |
|
d1 |
3 | 4 | 5 |
|
d2 |
1.5 | 2 | 3 |
|
n |
1 | 1 | 1.5 |
Rozšiřující se držák nýtovací spony je užitečný plastový spojovací prvek. Funguje jako bezpečnější, lehčí varianta, která odolává korozi, namísto obvyklých kovových závlaček.
Je to v podstatě válcový kus s předělem uprostřed. Prostrčíte ji předvrtaným otvorem a poté ohnete dvě nohy, aby držely části, jako jsou čepy vidlice, hřídele nebo spojky na místě. Tato plastová verze se zbaví problémů, jako je opotřebování kovu, ostré hrany a galvanická koroze.
Hlavní předností rozšiřujícího se držáku nýtové spony je bezpečnost, lehčí a držení v různých prostředích.
Na rozdíl od kovových kolíků nemá problém s ostrými otřepy, které by vás mohly pořezat při vkládání nebo vyjímání. Je mnohem lehčí, což je velmi důležité pro použití v letectví a automobilech.
A co víc, roztahovací držák nýtovacích spon přirozeně odolává rzi a korozi. Lze jej použít na vlhkých místech, v blízkosti chemikálií nebo tam, kde je nedostatečná elektřina a kde mohou kovové jehly selhat nebo způsobit problémy.

Konkrétní hodnota pevnosti ve smyku našeho roztahovacího držáku nýtové spony se bude lišit v závislosti na průměru kolíku a konkrétní třídě materiálu.
Je navržen tak, aby zvládal velké množství vibrací a pohybujících se břemen, které jsou běžné u strojů, automobilových dílů a montážních linek.
Materiál má přirozeně určitou pružnost a pružnost, což mu pomáhá absorbovat nárazy. Díky tomu je spolehlivou náhradou kovových kolíků v mnoha náročných prostředích, snadno se neopotřebovává a také snižuje opotřebení součástí, které spojuje.
