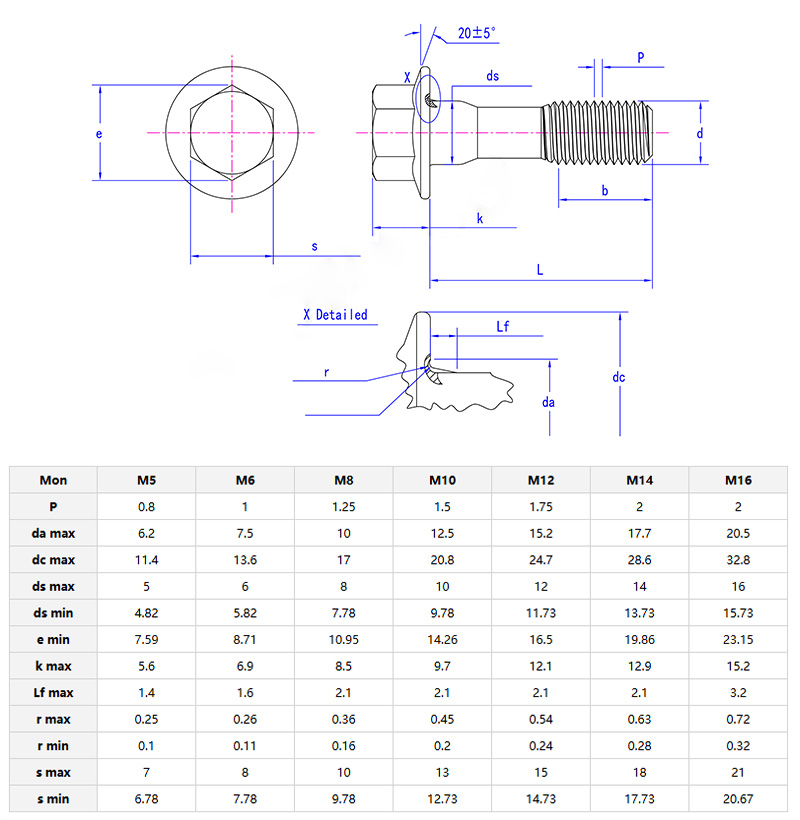
Ve srovnání s běžným šestiúhelníkovým šroubem,Šroub šestiúhelníku jemné přírubyMá tenčí šroub než obyčejný, zatímco hlava je stále běžným hexagonálním tvarem. Platnost příruby pod šroubem zvyšuje kontaktní oblast s připojeným objektem.

TheŠroub šestiúhelníku jemné přírubylze použít k opravě stativu pro třepavání. Tenké tyče mohou být přesně zašroubovány do malých držáků a příruby mohou být umístěny naplocho na plastové nebo kovové držáky. Při pořízení selfie při západu slunce se fotografie nebude třást.
Může opravit desku obvodu a zabránit tomu, aby se komponenty daly. Mohou být snadno vloženy na místa s omezeným prostorem a příruby mohou chránit přesné svařovací body.
Šroub příruby šestiúhelníku jemné příruby je možné použít při výrobě a údržbě bezpilotních leteckých vozidel. Drony mají malé velikosti, lehké hmotnosti a mají vzácný vnitřní prostor. Během výrobního procesu bezpilotních vzdušných vozidel (UAV) je lze použít k připojení komponent, jako je rám trupu a motory, a tenké tyče nepřispívají k nadměrné hmotnosti. Když jsou drony pod údržbou, snadno se demontují a znovu nainstalují.

Prodejní bodhExagální příruba šroubu jemné přírubyje „prostorově úspora a stabilní“. Tenké tyče jsou vhodné pro flexibilní instalaci v omezeném prostoru a nezabírají mnoho místa. Přírubové desky mohou zajistit stabilitu během připojení, takže když je utáhnete, nebudou se snadno uvolnit.