Domov > produkty > Šroub > T-Bolt > T kotevní šrouby hlavy
        T kotevní šrouby hlavy
        • T kotevní šrouby hlavyT kotevní šrouby hlavy
        • T kotevní šrouby hlavyT kotevní šrouby hlavy
        • T kotevní šrouby hlavyT kotevní šrouby hlavy

        T kotevní šrouby hlavy

        Můžete si kdykoli zkontrolovat vysoce kvalitní kotevní šrouby T hlavy vyrobené společností Xiaoguo® Company. Hlava ve tvaru T usnadňuje instalaci do kotvící drážky. Můžeme vám nabídnout různé velikosti, ze kterých si můžete vybrat. Vždy bude existovat šroub, který vám vyhovuje.
        Modelka:CNS 4947-1979

        Odeslat dotaz

        Popis výrobku

        Šrouby kotvy hlavy jsou upevňovací prvky používané pro fixaci kotvy, hlava ve tvaru T usnadňuje instalaci do kotvící drážky.Xiaoguo®Může vám nabídnout různé velikosti, ze kterých si můžete vybrat. Vždy bude existovat šroub, který vám vyhovuje.

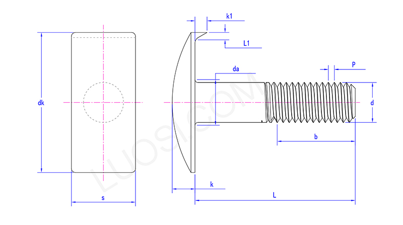
        Hlava kotevního šroubu T hlavy je ve tvaru T, což je vhodné, aby se sevřelo v odpovídající drážce ve tvaru T, aby se zabránilo otočení podél při utažení. Ocas šroubu je speciálně navržen tak, aby byl pevně upevněn v základně jako kotva.

        Instalace a aplikace:

        Tyto kotevní šrouby lze použít k opravě stop vyvýšených dveří. Jsou instalovány rychleji než šrouby. Posuňte je do vyvýšených ocelových drážek bez jakýchkoli upevňovacích nástrojů. Při instalaci skladu může být jednou rukou utažen a vyvážený pomocí žebříku. Používají se k opravě těžkých stop.

        T kotevní šrouby hlavy lze použít jako podpěry potrubí pro HVAC. Zavěšení potrubí na betonu je může ušetřit několik hodin. Vložte jej do unistrutu a klepněte do stropu s nárazovým šroubovákem. Nejsou potřeba žádné vodicí otvory. Jeden pracovník může dokončit instalaci dvou klínových kotev.

        Tyto šrouby se používají k opravě rámu těžebního dopravníku. Používají se pro fixaci šroubů podzemních robustních rámů a mohou odolat prachu. Kladivo hlavu ve tvaru T do zakřiveného kanálu; Vlákna mohou uchopit zkorodovanou ocel. Zaměstnanci mění komponenty v směnách každých 15 minut.

        Parametry:

        Mon M12
        P 1.75
        k 7
        K1 5
        L1 3
        Ano, max 15.2
        DK 55
        s 20

        Prodejní bod produktu:

        Šrouby kotvy T hlavy jsou obzvláště stabilní v fixaci a pohodlné k instalaci. Má dva hlavní funkce: funkce ve tvaru T a kotvící funkce. Při instalaci může být přímo vložen do T-Slot bez nutnosti opakovaného nastavení polohy. Struktura ukotvení ji udržuje v základně pevnější a těsnější a zabraňuje jí uvolnění. A nejsou vyžadovány žádné složité profesionální nástroje. Kromě toho má širokou škálu aplikací a lze jej použít v mnoha průmyslových odvětvích a scénářích.



        Hot Tags: T kotevní šrouby hlavy, Čína, výrobce, dodavatel, továrna
        Související kategorie
        Odeslat dotaz
        Neváhejte a napište svůj dotaz do formuláře níže. Odpovíme vám do 24 hodin.
        X
        Používáme cookies, abychom vám nabídli lepší zážitek z prohlížení, analyzovali návštěvnost webu a přizpůsobili obsah. Používáním tohoto webu souhlasíte s naším používáním souborů cookie. Zásady ochrany osobních údajů
        Odmítnout Přijmout