Domov > produkty > Matice > Ruční šroub matice > Černá niklovací válcovací matice
        Černá niklovací válcovací matice
        • Černá niklovací válcovací maticeČerná niklovací válcovací matice
        • Černá niklovací válcovací maticeČerná niklovací válcovací matice

        Černá niklovací válcovací matice

        Zdroj odolných černých poniklovaných součástí Rolling Nut přímo. Jako přední čínská továrna na válcování matic na černé niklování vyrábí XIAO GUO matice s recirkulačními kuličkovými ložisky pro minimální tření, dlouhou životnost a vysokou nosnost.

        Odeslat dotaz

        Popis výrobku

        Nejběžnější volbou je černá niklovací válcovací matice vyrobená z uhlíkové oceli. Je dostatečně pevná pro běžné plechové práce, jako je montáž nábytku nebo opravy malých zařízení. Většina uhlíkových ocelí má zinkové pokovení, aby se zabránilo korozi, což funguje dobře pro vnitřní použití nebo zakrytá venkovní místa.

        Pro vlhké prostředí nebo venkovní použití je lepší volbou nerez. Odolává vlhkosti a korozi i v mírně slaných oblastech poblíž pobřeží. Máme také hliníkové verze pro potřeby nízké hmotnosti – většinou se používají v elektronice, kde by těžké díly mohly ovlivnit výkon zařízení.

        Všechny materiály splňují základní průmyslové standardy, žádné další zbytečné úpravy. Vyberte si uhlíkovou ocel pro každodenní úkoly, nerezovou ocel pro vlhká místa a hliník pro lehkou práci. Materiálové možnosti Black Nickel Plating Rolling Nut pokrývají většinu běžných montážních potřeb, žádné ozdobné doplňky, pouze praktické možnosti.


        Povrchová úprava výrobku

        Nejběžnější možností je zinkování. Je to základní proces, který pomáhá předcházet korozi, vhodný pro vnitřní použití nebo zakrytá venkovní místa. Nepřidává extra tloušťku, takže to neovlivní, jak matice zapadá do otvoru v plechu během instalace. Většina ořechů pro každodenní použití přichází s touto léčbou.

        Pro lepší odolnost proti korozi je zde žárové zinkování. Je silnější než běžné zinkování, takže vydrží déle ve vlhkých oblastech nebo místech s mírnou vlhkostí, jako jsou dílny poblíž pobřeží. U matic z nerezové oceli provádíme pasivační úpravu – pouze zvyšuje jejich přirozenou odolnost proti korozi, aniž by se změnil jejich vzhled.

        Žádné přepychové potahy, jen praktické. Vyberte si zinkování pro standardní potřeby, žárové zinkování pro vlhké prostředí a pasivaci pro modely z nerezové oceli. Povrchové úpravy Black Nickel Plating Rolling Nut se týkají základní ochrany a vyhovují většině běžných scénářů montáže plechů.

        Black Nickel Plating Rolling Nut

        Sezení otázek a odpovědí

        Otázka: Mohu jej nainstalovat bez profesionálních nástrojů?

        Odpověď: Ne, potřebujete základní lisovací nástroj nebo malý nýtovací stroj. Ruční zatloukání se nedoporučuje; poškodí závity matice nebo ji uvolní. U malých sérií funguje ruční ruční lisovací nástroj. Pro velké zakázky je efektivnější automatický lis. Můžeme také doporučit modely nástrojů, které se hodí k našim produktům, pokud ještě nemáte ten správný.  

        Black Nickel Plating Rolling Nut



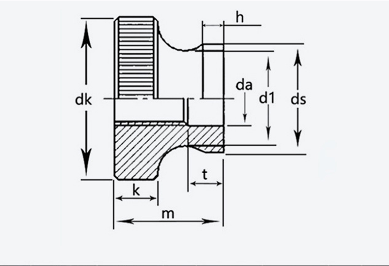
        velikost Pitch Vnější průměr Výška k ds da d1 T h
        max min max min max min max min max
        M3 0,5  11  10.7  6.64  2.8  5.7  3.5  3.2  5.2  1.2 
        M4 0,7  12  11.7  7,64  7,64  4.5  4.2  6.4  2.5  1.5 
        M5 0,8  16  15.7  10  96,6  10  9,64  5.5  5.5 
        M6 20  19.7  12  11.6  12  11.6  6.56  6.2  11  2.5 
        M8 1.25  24  23.7  16  15.6  16  15.6  8,86  8.5  13 
        M10 1.5 30 29.7 20 19.5 8 20 19.5 10.9 10.5 17.2 6.5 3.8
        Hot Tags: Černá niklovací válcovací matice, Čína, výrobce, dodavatel, továrna
        Související kategorie
        Odeslat dotaz
        Neváhejte a napište svůj dotaz do formuláře níže. Odpovíme vám do 24 hodin.
        X
        Používáme cookies, abychom vám nabídli lepší zážitek z prohlížení, analyzovali návštěvnost webu a přizpůsobili obsah. Používáním tohoto webu souhlasíte s naším používáním souborů cookie. Zásady ochrany osobních údajů
        Odmítnout Přijmout