Domov > produkty > Kolík > Kulatý špendlík > CNC obráběné čepy vidlice
        CNC obráběné čepy vidlice
        • CNC obráběné čepy vidliceCNC obráběné čepy vidlice
        • CNC obráběné čepy vidliceCNC obráběné čepy vidlice

        CNC obráběné čepy vidlice

        2. CNC obráběné Čepy vidlice jsou nápravové čepy se zaoblenými hlavami, zajištěné otvory pro čepy a závlačkami nebo pojistnými maticemi. Běžně se používají pro připojení mechanických součástí, jako jsou páky a ovládací ramena. Clevis kolíky Xiaoguo CNC obráběné jsou CNC obráběné, aby byla zajištěna vysoká přesnost a pevnost, takže můžete nakupovat s důvěrou.

        Odeslat dotaz

        Popis výrobku

        Máme skladem CNC obráběné vidlicové čepy v mnoha běžných velikostech, s průměry od přibližně M3 do M24 a délkou od 10 mm do 200 mm, takže se vejdou do většiny standardních otvorů. Důležité části, jako je velikost hlavy a délka stopky, jsou vyrobeny tak, aby odpovídaly obvyklým specifikacím.

        CNC Machined Clevis Pins

        Pro různé práce máme různé třídy. Existuje běžná třída pro každodenní použití a přesnější, když potřebujete těsnější střih, jako v autech nebo letadlech. Všechny jsou vytvořeny podle společných pravidel, jako je ISO 2341, takže pokaždé dostanete to samé. To jen znamená, že naše CNC obráběné čepy vidlice jsou vyrobeny tak, aby fungovaly se standardními držáky a díly ve většině zařízení.

        Kontrola kvality produktu

        Provádíme standardní kontroly kvality těchto CNC obráběných vidlicových čepů, abychom se ujistili, že fungují správně. Každý z nich dostane měření pro věci, jako je průměr, délka a umístění otvorů, aby se ujistil, že velikosti jsou správné. Testujeme také samotný materiál, abychom zkontrolovali, zda se jedná o správný typ a zda je dostatečně pevný a tvrdý.

        Hledáme na povrchu nějaké škrábance, drsné hrany nebo jiné stopy, které by mohly být problémem. Vše se provádí podle běžných průmyslových pravidel, jako je ISO 2341. Uchováváme záznamy o testech pro každou šarži, abychom ji mohli později sledovat.

        Poté, co projdou těmito kontrolami, jsou CNC obráběné čepy vidlice vhodné pro běžné práce nebo náročnější aplikace, kde potřebují vydržet.

        Sezení otázek a odpovědí

        Otázka: Jaké normy splňují vaše CNC obráběné čepy vidlice?

        Odpověď: Naše standardní CNC obráběné čepy vidlice jsou vyráběny tak, aby splňovaly specifikace jako ISO 2341 nebo ANSI B18.8.1. To zajišťuje konzistentní rozměry pro průměr čepu, hlavu a otvor, což zaručuje spolehlivé usazení a zaměnitelnost ve vašich sestavách.

        CNC Machined Clevis Pins


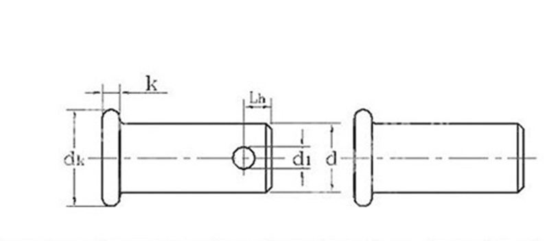
        jednotka: mm
        d max 3 4 5 6 8 10 12 14 16 18 20
        min 2.94 3.925 4.925 5.925 7.91 9.91 11.89 13.89 15.89 17.89 19.87
        nevím max 5 6 8 10 12 14 16 18 20 22 25
        min 4.7 5.7 7.64 9.64 11.57 13.57 15.57 17.57 19.48 21.48 24.48
        k nominální 1.5 2 2.5 3 3.5 4
        max 1.625 2.125 2.625 3.125 3.65 4.15
        min 1.375 1.875 2.375 2.875 3.35 3.85
        d1 min 1.6 2 3.2 4 5 5
        max 1.74 2.14 3.38 4.18 5.18 5.18
        Lh min 1.6 2.2 2.9 3.2 3.5 4.5 5.5 6 6 7 8



        Hot Tags: CNC obráběné čepy vidlice, Čína, výrobce, dodavatel, továrna
        Související kategorie
        Odeslat dotaz
        Neváhejte a napište svůj dotaz do formuláře níže. Odpovíme vám do 24 hodin.
        X
        Používáme cookies, abychom vám nabídli lepší zážitek z prohlížení, analyzovali návštěvnost webu a přizpůsobili obsah. Používáním tohoto webu souhlasíte s naším používáním souborů cookie. Zásady ochrany osobních údajů
        Odmítnout Přijmout