Domov > produkty > Kolík > Kulatý špendlík > Čepy vidlice s vysokou pevností v tahu
        Čepy vidlice s vysokou pevností v tahu
        • Čepy vidlice s vysokou pevností v tahuČepy vidlice s vysokou pevností v tahu
        • Čepy vidlice s vysokou pevností v tahuČepy vidlice s vysokou pevností v tahu

        Čepy vidlice s vysokou pevností v tahu

        Tento kolík vidlice s vysokým tahem lze několikrát rozebrat a znovu nainstalovat, což je výhodné pro opětovné použití. Od společnosti Xiaoguo si můžete s jistotou objednat kolíky s vysokým tahem Clevis a získáte vynikající zkušenost se zaručenou kvalitou.

        Odeslat dotaz

        Popis výrobku

        V případě potřeby můžeme poskytnout inspekční certifikát pro tyto čepy s vysokou pevností v tahu. Certifikát uvádí klíčové výsledky testů: z čeho je materiál vyroben, jeho mechanické vlastnosti, jako je pevnost a tvrdost, a potvrzuje, že všechny kritické rozměry jsou správné. Rovněž uvádí, které normy, jako je ISO 2341, výrobek splňuje.

        Každý certifikát je pro konkrétní výrobní šarži a má jedinečné číslo, takže jej lze zpětně dohledat. Je to záznam, který ukazuje, že kolíky prošly standardními kontrolami od materiálu až po hotový výrobek. Získání certifikátu pomocí vysokonapěťových kolíků je možnost, která je užitečná pro práce, které vyžadují formální papírování, ať už pro každodenní průmyslové použití nebo náročnější aplikace.

        High Tensile Clevis Pins

        Použití produktu

        Tento typ kolíku se běžně používá pro připojení součástí ve strojích, které vyžadují otáčení nebo otáčení. V různých průmyslových zařízeních se často používá ke spojení držáků, tyčí nebo pákV automobilech a nákladních vozidlech se používá pro komponenty zavěšení, brzdové páky, řídicí zařízení atd.

        Využívají ho také zemědělské stroje, jako jsou traktorové pluhy a kombajny. V letectví může být použit pro určité pohyblivé části v systémech letadel. Nachází se také na lodích, v lanoví a některých částech motoru, protože zůstává dobře zajištěn na místě.

        V zásadě jsou kolíky vidlice s vysokým tahem užitečné všude tam, kde potřebujete pevné spojení, které možná budete muset později také rozebrat, a které zvládne třepání a pravidelné používání.

        Sezení otázek a odpovědí

        Otázka: Jaké je standardní balení pro vaše vysokopevnostní závlačky?

        Odpověď: Obvykle používáme robustní kartonové krabice k balení vysoce pevných závlačkových kolíků a způsob balení je obecně rozdělen podle velikosti a množství (například 100 kusů na krabici).

        U hromadných objednávek zabalíme vysokopevnostní závlačky do hlavního kartonu a umístíme je na paletu, abychom zajistili bezpečnou přepravu a snadnou manipulaci.

        High Tensile Clevis Pins


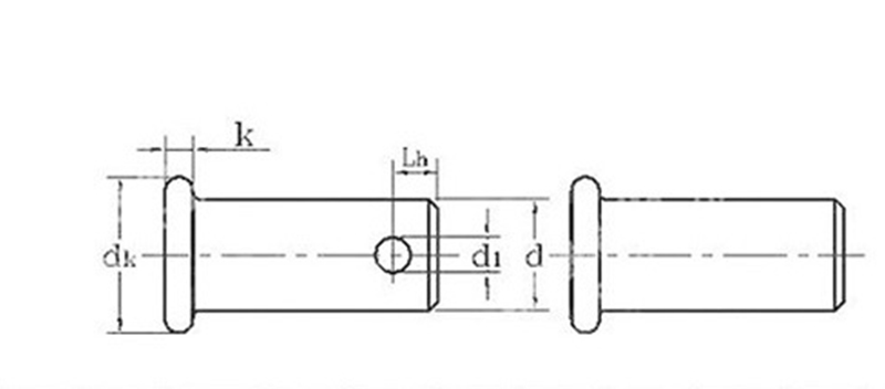
        jednotka: mm
        d max 3 4 5 6 8 10 12 14 16 18 20
        min 2.94 3.925 4.925 5.925 7.91 9.91 11.89 13.89 15.89 17.89 19.87
        nevím max 5 6 8 10 12 14 16 18 20 22 25
        min 4.7 5.7 7.64 9.64 11.57 13.57 15.57 17.57 19.48 21.48 24.48
        k nominální 1.5 2 2.5 3 3.5 4
        max 1.625 2.125 2.625 3.125 3.65 4.15
        min 1.375 1.875 2.375 2.875 3.35 3.85
        d1 min 1.6 2 3.2 4 5 5
        max 1.74 2.14 3.38 4.18 5.18 5.18
        Lh min 1.6 2.2 2.9 3.2 3.5 4.5 5.5 6 6 7 8




        Hot Tags: Vysokopevnostní čepy vidlice, Čína, výrobce, dodavatel, továrna
        Související kategorie
        Odeslat dotaz
        Neváhejte a napište svůj dotaz do formuláře níže. Odpovíme vám do 24 hodin.
        X
        Používáme cookies, abychom vám nabídli lepší zážitek z prohlížení, analyzovali návštěvnost webu a přizpůsobili obsah. Používáním tohoto webu souhlasíte s naším používáním souborů cookie. Zásady ochrany osobních údajů
        Odmítnout Přijmout