Domov > produkty > Šroub > Šroub se čtyřhrannou hlavou > Hrotové šrouby pohárové hlavy
        Hrotové šrouby pohárové hlavy
        • Hrotové šrouby pohárové hlavyHrotové šrouby pohárové hlavy
        • Hrotové šrouby pohárové hlavyHrotové šrouby pohárové hlavy

        Hrotové šrouby pohárové hlavy

        Hrotové šrouby s miskovou hlavou vyrobené společností Xiaoguo® Company mohou pevně sevřít měkké materiály, jako je dřevo nebo plast. Hlava ve tvaru misky poskytuje větší plochu utahovací plochy a špičatý hrot ve spodní části může proniknout hluboko do šroubu, aby se zabránilo jeho sklouznutí nebo rotaci během provozu.
        Modelka:DIN 607-1981

        Odeslat dotaz

        Popis výrobku

        Hlavahrotové šrouby hrnkové hlavyje jako malý šálek, kulatý a vypouklý. Pod ním je připojen ostrý čep a šroubová část má závity. Tento design je velmi zvláštní. Má jedinečné výhody při opravách věcí a lze jej použít na mnoha místech.



        Detaily a parametry produktu

        Hrotové šrouby s pohárovou hlavoulze použít pro výrobu dřevěných modelů ve školních hodinách ručních prací. Ve školních hodinách ručních prací, při výrobě dřevěných modelů, jako jsou malé domy a malé lodě, je lze použít k upevnění dílů. Je snadno ovladatelný a umožňuje studentům rychle se s ním seznámit. Navíc může zpevnit strukturu modelu, usnadnit studentům vystavování jejich děl a také je vhodný pro dlouhodobé uchování modelu.

        DIY nadšenci používajíhrotové šrouby hrnkové hlavypři opravách odvodňovacích příkopů nebo svodů. Šrouby mohou být uzamčeny do hliníku nebo oceli bez vrtání otvorů a šrouby s miskovou hlavou jsou skryty pod tmelem. Pokud chcete odolné šrouby, můžete si vybrat nerezový materiál. Po bouřce na domě nezůstane žádná rez.

        Zemědělci používají šrouby při opravách sýpek nebo zavlažovacích potrubí. Šrouby dokážou pevně uchopit rezavý povrch a účinně odolávat vlhkosti stáje. Nízké hlavy šroubů nezachytí seno ani nářadí a není potřeba stroj zastavovat kvůli uvolnění upevňovacích prvků.


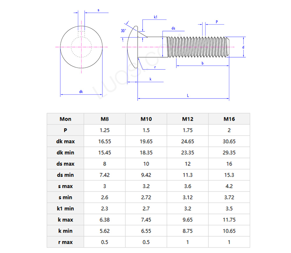
        Cup head nib bolts parameters

        Prodejní místo produktu

        Thehrotové šrouby hrnkové hlavyjsou nejen pevně upevněny a rychle instalovány, ale tvar hlavy pohárku může rozšířit kontaktní plochu, rozptýlit tlak během utahování a učinit spojení pevnějším a není snadné jej uvolnit; Špičatý čep lze snadno zasunout do materiálu, aby se zabránilo náhodnému otáčení šroubu při utahování, a je také pohodlnější instalovat.


        Materiál produktu

        Hrotové šrouby s válcovou hlavou vyrábíme z několika základních materiálů, především uhlíkové oceli, legované oceli a nerezové oceli. Správná volba závisí na tom, kde budou použity.


        Pro běžné, každodenní práce – jako je upevňování vnitřního vybavení při nízkém až středním zatížení – dobře fungují typy uhlíkové oceli, jako je 1010 nebo 1018. Jsou cenově dostupné, ale obvykle potřebují povlak, jako je galvanizace, aby se zabránilo korozi.


        Pokud potřebujete větší pevnost – pro věci, jako jsou těžké stroje nebo automobilové podvozky – používáme legované oceli jako 35CrMo. Ty jsou tepelně zpracovány, aby se zlepšila jejich pevnost a houževnatost.


        Pro místa, kde se rez týká, je nerezová ocel správnou volbou. Stupeň 304 je vhodný pro suché vnitřní prostředí, jako jsou domácí spotřebiče. Pokud pracujete venku, v blízkosti slané vody nebo s chemikáliemi, třída 316 je lepší volbou, protože lépe odolává korozi.


        Materiál, který si vyberete, závisí na vašich pracovních podmínkách – jak je vlhký, jakou váhu šroub unese a jaké je riziko koroze.


        Náklady na dopravu produktu

        Přepravní náklady na šrouby Cup Head Nib Bolts závisí na několika věcech: jak jsou těžké, kolik místa zabírají, jak daleko jdou a jak je chcete doručit.


        U malých objednávek (do 20kg) je obvykle zasíláme kurýrem. Cena dopravy je stanovena podle počáteční hmotnosti plus příplatek za každý další kilogram. V rámci země se základní poplatek pohybuje kolem 1,5 až 3 dolary a každé kilo navíc stojí asi 0,3 až 1,2 dolaru.


        U větších objednávek (nad 20 kg) je nákladní doprava nebo LTL (méně než kamion) často levnější. Cena je založena buď na skutečné hmotnosti, nebo na velikosti balíku – podle toho, co je vyšší. Chcete-li zjistit hmotnost velikosti, vynásobte délku, šířku a výšku v centimetrech a poté vydělte 6000.


        Například přeprava 1 tuny v tuzemsku na velkou vzdálenost se obvykle pohybuje mezi 60 a 90 dolary. Čím více odešlete, tím nižší jsou náklady na jednotku.


        U mezinárodních objednávek vstupují do hry věci jako přístavní poplatky a cla. Námořní přeprava je pomalejší, ale levnější, zatímco letecká je rychlejší, ale stojí více.


        Pokud potřebujete doručení z domu do domu nebo urychlenou přepravu, může to přidat 20 % až 50 % k základní ceně.


        Před odesláním je dobré ověřit si celkovou cenu u svého přepravce, abyste se vyhnuli pozdějším překvapením.



        Materiál produktu

        Hrotové šrouby s válcovou hlavou vyrábíme z několika základních materiálů, především uhlíkové oceli, legované oceli a nerezové oceli. Správná volba závisí na tom, kde budou použity.


        Pro běžné, každodenní práce – jako je upevňování vnitřního vybavení při nízkém až středním zatížení – dobře fungují typy uhlíkové oceli, jako je 1010 nebo 1018. Jsou cenově dostupné, ale obvykle potřebují povlak, jako je galvanizace, aby se zabránilo korozi.


        Pokud potřebujete větší pevnost – pro věci, jako jsou těžké stroje nebo automobilové podvozky – používáme legované oceli jako 35CrMo. Ty jsou tepelně zpracovány, aby se zlepšila jejich pevnost a houževnatost.


        Pro místa, kde se rez týká, je nerezová ocel správnou volbou. Stupeň 304 je vhodný pro suché vnitřní prostředí, jako jsou domácí spotřebiče. Pokud pracujete venku, v blízkosti slané vody nebo s chemikáliemi, třída 316 je lepší volbou, protože lépe odolává korozi.


        Materiál, který si vyberete, závisí na vašich pracovních podmínkách – jak je vlhký, jakou váhu šroub unese a jaké je riziko koroze.


        Náklady na dopravu produktu

        Přepravní náklady na šrouby Cup Head Nib Bolts závisí na několika věcech: jak jsou těžké, kolik místa zabírají, jak daleko jdou a jak je chcete doručit.


        U malých objednávek (do 20kg) je obvykle zasíláme kurýrem. Cena dopravy je stanovena podle počáteční hmotnosti plus příplatek za každý další kilogram. V rámci země se základní poplatek pohybuje kolem 1,5 až 3 dolary a každé kilo navíc stojí asi 0,3 až 1,2 dolaru.


        U větších objednávek (nad 20 kg) je nákladní doprava nebo LTL (méně než kamion) často levnější. Cena je založena buď na skutečné hmotnosti, nebo na velikosti balíku – podle toho, co je vyšší. Chcete-li zjistit hmotnost velikosti, vynásobte délku, šířku a výšku v centimetrech a poté vydělte 6000.


        Například přeprava 1 tuny v tuzemsku na velkou vzdálenost se obvykle pohybuje mezi 60 a 90 dolary. Čím více odešlete, tím nižší jsou náklady na jednotku.


        U mezinárodních objednávek vstupují do hry věci jako přístavní poplatky a cla. Námořní přeprava je pomalejší, ale levnější, zatímco letecká je rychlejší, ale stojí více.


        Pokud potřebujete doručení z domu do domu nebo urychlenou přepravu, může to přidat 20 % až 50 % k základní ceně.


        Před odesláním je dobré ověřit si celkovou cenu u svého přepravce, abyste se vyhnuli pozdějším překvapením.





        Hot Tags: Hrotové šrouby s pohárovou hlavou, Čína, výrobce, dodavatel, továrna
        Související kategorie
        Odeslat dotaz
        Neváhejte a napište svůj dotaz do formuláře níže. Odpovíme vám do 24 hodin.
        X
        Používáme cookies, abychom vám nabídli lepší zážitek z prohlížení, analyzovali návštěvnost webu a přizpůsobili obsah. Používáním tohoto webu souhlasíte s naším používáním souborů cookie. Zásady ochrany osobních údajů
        Odmítnout Přijmout