Domov > produkty > Matice > Ruční šroub matice > Vroubkovaná rolovací matice s vysokým límcem
      Vroubkovaná rolovací matice s vysokým límcem
      • Vroubkovaná rolovací matice s vysokým límcemVroubkovaná rolovací matice s vysokým límcem
      • Vroubkovaná rolovací matice s vysokým límcemVroubkovaná rolovací matice s vysokým límcem

      Vroubkovaná rolovací matice s vysokým límcem

      Investujte do trvalé přesnosti a podpory. Odolná rýhovaná rolovací matice s vysokým límcem XIAO GUO je navržena pro odolnost. Naše produkty podporujeme pevnou dvouletou zárukou na rýhovanou rolovací matici s vysokým límcem, která poskytuje důvěru a snižuje vaše celkové náklady na vlastnictví.

      Odeslat dotaz

      Popis výrobku

      Budete potřebovat certifikát celní kontroly nebo kontroly kvality, který jste si sami zaznamenali pro rolovací matice s vysokým límcem, které vám můžeme poskytnout zdarma při zadání objednávky. můžeme ji poskytnout zdarma, když zadáte svou objednávku. Certifikát nemá žádný efektní obsah, pouze nezbytné základní informace.

      Obsahuje podrobnosti jako číslo šarže, typ suroviny, způsob povrchové úpravy a klíčové výsledky testů. Tyto testy zahrnují údaje o přesnosti závitu, konzistenci velikosti a odolnosti proti korozi z příslušných experimentů. Každý certifikát má jedinečný kód sledovatelnosti, takže si můžete ověřit jeho pravost a v případě potřeby zkontrolovat podrobnosti testu.

      Dokument používá jednoduchý jazyk, žádné složité technické výrazy. Splňuje běžné průmyslové standardy a je uznáván pro většinu mezinárodních zásilek. Dejte nám vědět, že ji potřebujete při objednávce, a my ji přibalíme k vaší dodávce rýhované rolovací matice s vysokým límcem. Žádné další poplatky nebo zdlouhavé procedury za tuto službu.

      Použití produktu

      Používá se hlavně k přidání závitových otvorů do tenkého plechu bez dalších matic. Najdete ho ve výrobě elektroniky – jako je montáž komponent na kryty zařízení nebo upevňování kovových panelů na počítačích a tiskárnách. Funguje zde, protože sedí v jedné rovině a nezabírá další místo uvnitř zařízení.

      Je to také běžné při montáži nábytku. Pracovníci jej používají k upevnění kovových držáků na rámy skříněk nebo k zajištění posuvů zásuvek na kovové kolejnice. V malých dílnách se hodí pro zakázkové plechové projekty, jako jsou krabice na nářadí nebo kovové police, které vyžadují pevné a spolehlivé upevnění.

      DIY nadšenci jej používají také pro úkoly, jako je oprava kovového zahradního nářadí nebo výroba malých kovových řemesel. Je skvělý pro jakoukoli práci, kde potřebujete závitový otvor v tenkém kovu, ale nechcete svařovat nebo používat objemný hardware. Vroubkovaná rolovací matice s vysokým límcem se hodí pro většinu lehkých až středních požadavků na upevnění plechu, žádné další potíže s komplikovanými nástroji.

      High Collar Knurled Rolling Nut

      Sezení otázek a odpovědí

      Otázka: Co když jsou některé produkty po dodání vadné?

      Odpověď: Nejprve pořiďte fotografie nebo videa vadných produktů a zašlete nám je do 7 dnů od obdržení. Problém rychle prověříme. Pokud se jedná o problém s kvalitou z naší výroby, zašleme náhradní zdarma. Náklady na náhradní dopravu uhradíme my. Zřídka máme takové problémy, protože každá šarže prochází přísnou kontrolou, ale s poprodejním servisem zacházíme správně, abychom předešli ovlivnění vašeho používání.  

      High Collar Knurled Rolling Nut


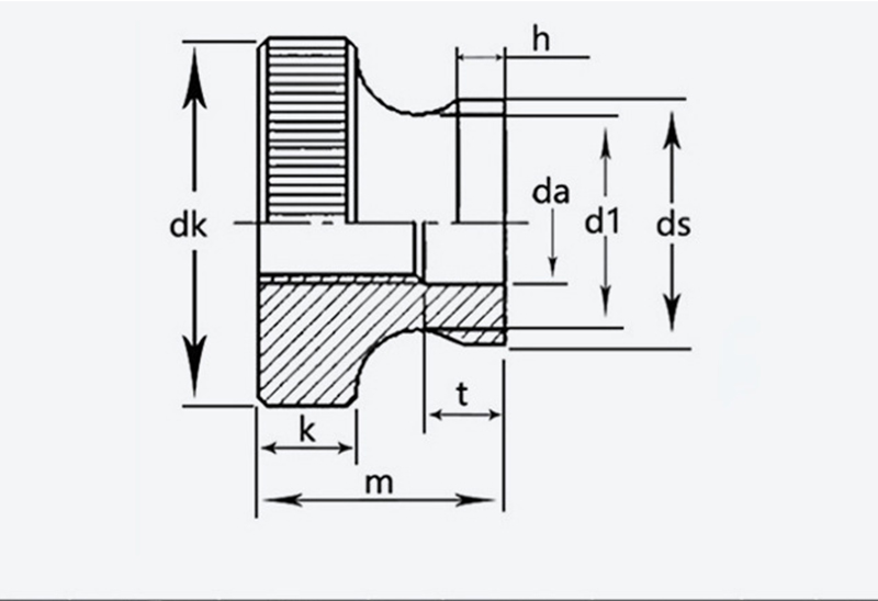
      velikost Pitch Vnější průměr Výška k ds da d1 T h
      max min max min max min max min max
      M3 0,5  11  10.7  6.64  2.8  5.7  3.5  3.2  5.2  1.2 
      M4 0,7  12  11.7  7,64  7,64  4.5  4.2  6.4  2.5  1.5 
      M5 0,8  16  15.7  10  96,6  10  9,64  5.5  5.5 
      M6 20  19.7  12  11.6  12  11.6  6.56  6.2  11  2.5 
      M8 1.25  24  23.7  16  15.6  16  15.6  8,86  8.5  13 
      M10 1.5 30 29.7 20 19.5 8 20 19.5 10.9 10.5 17.2 6.5 3.8
      Hot Tags: Vroubkovaná rolovací matice s vysokým límcem, Čína, výrobce, dodavatel, továrna
      Související kategorie
      Odeslat dotaz
      Neváhejte a napište svůj dotaz do formuláře níže. Odpovíme vám do 24 hodin.
      X
      We use cookies to offer you a better browsing experience, analyze site traffic and personalize content. By using this site, you agree to our use of cookies. Privacy Policy
      Reject Accept