Domov > produkty > Svařovací ořechy > Svařovaný stud > Kulaté přivařovací svorníky s plochou hlavou
        Kulaté přivařovací svorníky s plochou hlavou
        • Kulaté přivařovací svorníky s plochou hlavouKulaté přivařovací svorníky s plochou hlavou
        • Kulaté přivařovací svorníky s plochou hlavouKulaté přivařovací svorníky s plochou hlavou
        • Kulaté přivařovací svorníky s plochou hlavouKulaté přivařovací svorníky s plochou hlavou

        Kulaté přivařovací svorníky s plochou hlavou

        Kulaté ploché přivařovací svorníky s plochou hlavou jsou určeny pro svařování povrchu plastů. Používají teplo k roztavení a spojení materiálů, aniž by je poškodily. Jeho konstrukce zajišťuje bezpečné uchycení a zabraňuje praskání plastu. Xiaoguo® Factory poskytuje spojovací prvky různých velikostí a modelů, které lze použít v různých situacích.
        Modelka:QC/T 891-2011

        Odeslat dotaz

        Popis výrobku

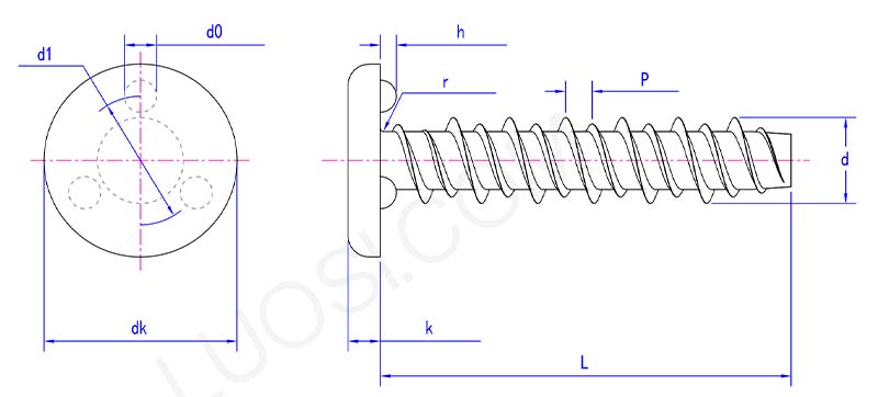
        Svařovací svorníky s kulatou plochou hlavou se skládají hlavně ze šroubové tyče a hlavy. Konstrukce hlavy se liší. Některé jsou poměrně široké, aby zvětšily kontaktní plochu s plastem během svařování; jiné mají speciální vzory nebo výstupky pro usnadnění lepší integrace s plastem.

        Aplikace a parametry produktu

        Round flat head projection weld studs parameter

        Po
        NST3 NST3.5
        NST4
        NST5
        NST6
        P
        1.1 1.3 1.4 1.6 1.8
        d1
        6.2 7 8 9.2 10.8
        d0 max
        1.1 1.4 1.9 2.1 2.7
        d0 min
        0.9 1.2 1.7 1.9 2.4
        dk max
        8.3 9.4 10.9 12.3 14.5
        dk min
        8.1 9.2 10.7 12.1 14.2
        h max
        0.45 0.55 0.7 0.8 1.05
        h min
        0.35 0.45 0.6 0.7 0.95
        k max
        1 1.2 1.3 1.7 2.1
        k min
        0.6 1 1.1 1.5 1.9
        r max
        0.4 0.5 0.6 0.7 1.0


        Kulaté svařovací svorníky s plochou hlavou se používají v průmyslu výroby elektroniky. Například při výrobě krytů telefonů, tabletů, sluchátek atd. budou spoje některých vnitřních plastových konstrukčních součástí vyžadovat použití těchto typů šroubů. Při instalaci plastových součástí, jako je držák baterie a štít základní desky, do telefonu je připevněte do odpovídajících pozic přivařením a poté nainstalujte další součásti.

        Tyto přivařovací šrouby se používají v průmyslu výroby hraček. Mnoho hraček je sestaveno z plastových dílů a tyto díly lze použít k jejich spojení. Jako jsou plastové stavebnice pro stavbu hradů, plastových modelů aut atd. Zajišťují odolnost hraček a bezpečnost pro použití dětmi.

        Projekční svorníky se používají ve zpracovatelském průmyslu výrobků pro domácnost. Mnoho plastových výrobků, jako jsou plastové úložné boxy, plastové stoly a židle atd., je využije. Při instalaci madel, přepážek a dalších součástí úložného boxu přivařte přivařovací šrouby k hlavnímu tělesu úložného boxu a poté nainstalujte odpovídající komponenty. Tím je zajištěno, že se tyto součásti při častém každodenním používání snadno neuvolní, čímž se zvýší praktičnost a životnost úložného boxu.

        Funkce produktu

        Kulaté svařovací čepy s plochou hlavou mohou dosáhnout bezpečného a pohodlného spojení mezi plastovými součástmi. Pomocí svařování je těsně spojen s plastovými součástmi, s vysokou pevností spojení, což účinně zabraňuje uvolnění součástí. Proces svařování je poměrně jednoduchý. Pro ty, kteří mají nějaké zkušenosti se zpracováním plastů, je snadné jej zvládnout a může zvýšit efektivitu výroby.


        Hot Tags: Kulaté svařovací svorníky s plochou hlavou, Čína, výrobce, dodavatel, továrna
        Související kategorie
        Odeslat dotaz
        Neváhejte a napište svůj dotaz do formuláře níže. Odpovíme vám do 24 hodin.
        X
        Používáme cookies, abychom vám nabídli lepší zážitek z prohlížení, analyzovali návštěvnost webu a přizpůsobili obsah. Používáním tohoto webu souhlasíte s naším používáním souborů cookie. Zásady ochrany osobních údajů
        Odmítnout Přijmout