Domov > produkty > Matice > Ruční šroub matice > Kulaté knoflíky s límcem válcovací maticí
      Kulaté knoflíky s límcem válcovací maticí
      • Kulaté knoflíky s límcem válcovací maticíKulaté knoflíky s límcem válcovací maticí
      • Kulaté knoflíky s límcem válcovací maticíKulaté knoflíky s límcem válcovací maticí

      Kulaté knoflíky s límcem válcovací maticí

      Pro přesný lineární pohyb zvolte pokročilé kulaté knoflíky XIAO GUO s límcovou rolovací maticí. Navrženo pro kuličkové šrouby, zajišťuje hladký a vysoce účinný pohyb, což z nás dělá důvěryhodného čínského dodavatele kulatých knoflíků s límcovou rolovací maticí pro CNC a automatizační systémy.

      Odeslat dotaz

      Popis výrobku

      Nejprve vyvrtejte otvor do plechu, který odpovídá velikosti kulatých knoflíků s límcovou rolovací maticí. Nedělejte otvor příliš velký – jinak se nezajistí správně. Vyčistěte veškeré kovové hobliny, které zůstaly v otvoru; mohly by překážet při instalaci.

      Poté vložte matici do předvrtaného otvoru a ujistěte se, že sedí rovně proti plechu. Použijte standardní lisovací nástroj s matricí, která se hodí k horní části matice. Vyvíjejte na nástroj stálý a rovnoměrný tlak – když je zajištěn na místě, ucítíte lehké „cvaknutí“. Držte tlak po dobu 1-2 sekund, abyste se ujistili, že je bezpečný.

      Vyhněte se používání úderů kladivem; to může ohnout matici nebo poškodit plech. Nejlépe funguje na tenkém až středním plechu (tloušťka 0,5-2 mm). Po instalaci můžete šroub hladce zašroubovat, aniž by se matice otáčela. Kulaté knoflíky s límcovou rolovací maticí se snadno používají i pro začátečníky, nejsou potřeba žádné složité dovednosti.

      Balení produktu

      Aby byly ořechy v bezpečí, používáme jednoduché praktické balení. Pro malé objednávky nebo vzorky jsou baleny v průhledných plastových sáčcích – obvykle 100 nebo 200 kusů na sáček. Každá taška má základní štítek s velikostí, materiálem a číslem šarže, takže snadno najdete, co potřebujete.

      Hromadné objednávky jdou do pevných kartonů. V závislosti na velikosti matice pojme každý karton 5000 až 10000 kusů. Dovnitř vložíme pěnovou nebo bublinkovou fólii, aby se během přepravy nepoškrábaly nebo se nepohybovaly. Kartony mají jasné značky pro manipulaci, jako je „udržovat v suchu“ nebo „neskládat těžké věci“.

      Pokud potřebujete vlastní balení – například vaše logo na sáčcích nebo konkrétní množství v balení – dejte nám vědět při objednávce. Žádné extra luxusní věci, jen to, co funguje pro skladování a přepravu. Dodává se v těchto standardních variantách, které vyhovují většině malých dílen, velkých továren nebo potřebám kutilů.

      Round Knobs With Collar Rolling Nut

      Sezení otázek a odpovědí

      Jaká tloušťka plechu je vhodná pro kulaté knoflíky s límcovou rolovací maticí?  

      Odpověď: Nejlépe funguje na tenkém až středním plechu s rozsahem tloušťky 0,5 mm až 2,5 mm. Příliš silný kov jej nedovolí správně zamknout a příliš tenký se může během instalace zdeformovat. Běžné materiály jako ocel válcovaná za studena, hliník a plechy z nerezové oceli jsou v pořádku. Jen se ujistěte, že velikost předvrtaného otvoru odpovídá vnějšímu průměru matice – můžeme vám poskytnout tabulku velikostí, pokud ji potřebujete pro referenci.  

      Round Knobs With Collar Rolling Nut

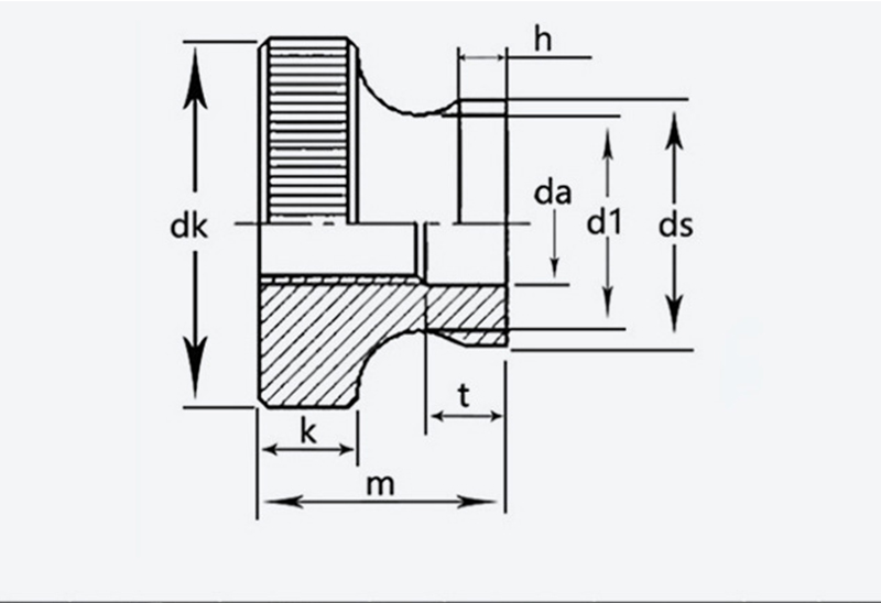
      velikost Pitch Vnější průměr Výška k ds da d1 T h
      max min max min max min max min max
      M3 0,5  11  10.7  6.64  2.8  5.7  3.5  3.2  5.2  1.2 
      M4 0,7  12  11.7  7,64  7,64  4.5  4.2  6.4  2.5  1.5 
      M5 0,8  16  15.7  10  96,6  10  9,64  5.5  5.5 
      M6 20  19.7  12  11.6  12  11.6  6.56  6.2  11  2.5 
      M8 1.25  24  23.7  16  15.6  16  15.6  8,86  8.5  13 
      M10 1.5 30 29.7 20 19.5 8 20 19.5 10.9 10.5 17.2 6.5 3.8
      Hot Tags: Kulaté knoflíky s límcovou rolovací maticí, Čína, výrobce, dodavatel, továrna
      Související kategorie
      Odeslat dotaz
      Neváhejte a napište svůj dotaz do formuláře níže. Odpovíme vám do 24 hodin.
      X
      We use cookies to offer you a better browsing experience, analyze site traffic and personalize content. By using this site, you agree to our use of cookies. Privacy Policy
      Reject Accept