Domov > produkty > Šroub > Kotevní šroub > Samostatné rozšiřující šrouby
        Samostatné rozšiřující šrouby
        • Samostatné rozšiřující šroubySamostatné rozšiřující šrouby
        • Samostatné rozšiřující šroubySamostatné rozšiřující šrouby
        • Samostatné rozšiřující šroubySamostatné rozšiřující šrouby

        Samostatné rozšiřující šrouby

        Odolné a stabilní podpory mohou poskytnout bolty pro kotvení. Jakmile jsou vloženy do předvrtených otvorů, budou se rozšířit sami. Výrobci Xiaoguo® nabízejí jednoduchá a efektivní řešení. Dodržují implementační standardy GOST 28778-1990.

        Odeslat dotaz

        Popis výrobku

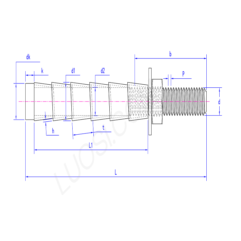
        Rozšiřující šrouby s vlastním ukotvením se skládají hlavně ze šroubů, expanzních trubek, matic a dalších částí. Během instalace, utažením matice, bude šroub řídit expanzní trubici, aby se expandoval dovnitř vrtu, čímž ji pevně upevňuje na stěnu nebo na jinou základnu.


        Parametry produktu

        Mon M6 M8 M10 M12 M16 M20 M22 M24
        P 1 1.25 1.5 1.75 2 2.5 2.5 3
        DK Max 10 12 14 16 20 24 26 28
        DK Min 9 11 13 15 19 23 25 27
        L1 45 60 70 75 100 125 150 180
        k 5 5 5 5 5 5 5 5
        D1 9.8 11.8 13.8 15.8 19.8 23.8 25.8 27.8
        D2 6.2 8.2 10.2 12.2 16.2 20.2 22.2 24.2
        h 0.6 0.8 0.8 0.8 0.9 1 1 1.2
        t 10 12 12 14 14 16 16 20
        L 65 85 100 110 150 200 250 300


        Instalovat

        Rozšíření se sebekomorováním může pevně ukotvit objekty v betonových nebo zděných strukturách. Stačí jen vyvrtat otvory, vložit šrouby a poté utáhnout matice. Po utažení se samotný šroub rozšíří uvnitř díry. Obvykle se tvoří tažením kužele do rukávu, čímž se vytvoří pevný mechanický zámek a pevně jej upevňuje na zeď.


        Instalace šroubů pro rozšiřování vlastního kotvení je velmi jednoduché: vrtací otvory správné velikosti, odstraňte prach, zaklepe šrouby kladivem a potom ořechy utáhněte klíčem. Během procesu zpřísnění je expanzní mechanismus nucen otevřít a pevně uchopit základní materiál. Jedná se o přímý proces „instalace a utažení“, který může dosáhnout pevné fixace.


        Může být použit v jakých situacích?

        Například opravte držák na betonovou stěnu, opravte mechanickou základnu na podlahu, opravte zábradlí nebo opravte sloupec na základ. Jsou vysoce vhodné pro středně až těžké operace v pevném betonu, cihel nebo blocích, kde po vytvoření nadace musíte přidat silný a odnímatelný kotevní bod.


        Funkce produktu

        Samostatné expanzní šrouby mají silnou přizpůsobivost. Má silnou přizpůsobivost různým základním rovinám. Ať už se jedná o betonovou zeď, cihlová zeď nebo nějaká dřevěná struktura, pokud jsou vyvrtány příslušné otvory, může hrát velmi dobrou kotvící roli. Navíc přichází v různých specifikacích. Podle skutečných požadavků na instalaci a stavu základního povrchu lze vybrat vhodnou velikost pro splnění různých instalačních scénářů.

        Self anchoring expansion bolts


        Hot Tags: Samostatné expanzní šrouby, Čína, výrobce, dodavatel, továrna
        Související kategorie
        Odeslat dotaz
        Neváhejte a napište svůj dotaz do formuláře níže. Odpovíme vám do 24 hodin.
        X
        Používáme cookies, abychom vám nabídli lepší zážitek z prohlížení, analyzovali návštěvnost webu a přizpůsobili obsah. Používáním tohoto webu souhlasíte s naším používáním souborů cookie. Zásady ochrany osobních údajů
        Odmítnout Přijmout