Domov > produkty > Šroub > Jiné šrouby > 12-ti bodový přírubový šroub z obyčejné oceli
        12-ti bodový přírubový šroub z obyčejné oceli
        • 12-ti bodový přírubový šroub z obyčejné oceli12-ti bodový přírubový šroub z obyčejné oceli
        • 12-ti bodový přírubový šroub z obyčejné oceli12-ti bodový přírubový šroub z obyčejné oceli

        12-ti bodový přírubový šroub z obyčejné oceli

        Výběr 12bodového přírubového šroubu Xiaoguo® z hladké oceli zajišťuje dlouhou životnost a dobrou stabilitu. Tyto šrouby mají vysoký krouticí moment, zabudované příruby a jsou kompaktní a odolné proti uvolnění, vhodné pro náročné aplikace. Jsme profesionální továrna na 12bodový přírubový šroub z hladké oceli, která nabízí velkoobchodní a hromadné objednávky.

        Odeslat dotaz

        Popis výrobku

        Tento 12bodový přírubový šroub z obyčejné oceli je vyroben podle standardních průmyslových specifikací a jakostí a je vhodný pro většinu běžných montážních a údržbových úkolů. Všechny specifikace se řídí běžnými průmyslovými standardy – stoupání závitu, délka hřídele a velikost hlavy jsou konzistentní, takže jej lze bez problémů dokonale sladit se standardními nástroji a příslušenstvím. Samotný výrobek má stabilní pevnost v tahu a odolnost proti kroutícímu momentu a je vhodný pro náročné každodenní použití. Nenabízíme zde příliš přizpůsobené nebo speciální třídy; jsou k dispozici pouze praktické standardní možnosti vhodné pro každodenní průmyslové práce, údržbu automobilů, mechanickou montáž a základní stavební projekty. Pokrýváme běžné průměry a délky, abychom splnili typické požadavky projektu. Každý produkt je vyroben přesně podle uvedených specifikací, se zcela konzistentními rozměry a instalace nevyžaduje hádání nebo problémy s párováním.

        Plain Steel 12 Point Flange Screw

        Zajištění kvality produktu

        Provádíme kontroly kvality v klíčových krocích během výroby, abychom udrželi konzistentní výkon a omezili defekty. Každý 12bodový přírubový šroub z obyčejné oceli prochází základními kontrolami přesnosti velikosti, kvality materiálu a povrchové úpravy, aby byly splněny standardní úrovně kvality. Dodržujeme přísná výrobní pravidla, abychom se vyhnuli vadám, jako jsou nerovnoměrné závity, špatný materiál nebo špatné tvarování, které by mohly ztěžovat použití spojovacího prvku. Nedáváme přísliby nadlimitní záruky, ale každá jednotka je testována, aby vydržela při běžném pracovním zatížení a pravidelném používání. Vadné kusy jsou před odesláním vytříděny a my zálohujeme konzistenci našeho produktu. Pokud se vyskytnou nějaké problémy s kvalitou produktu, které nesplňují naše specifikované normy, okamžitě je vyřešíme, abychom zajistili vaše běžné používání. Toto je naše uznání vaší zodpovědné činnosti při zacházení s produktem.

        Plain Steel 12 Point Flange Screw

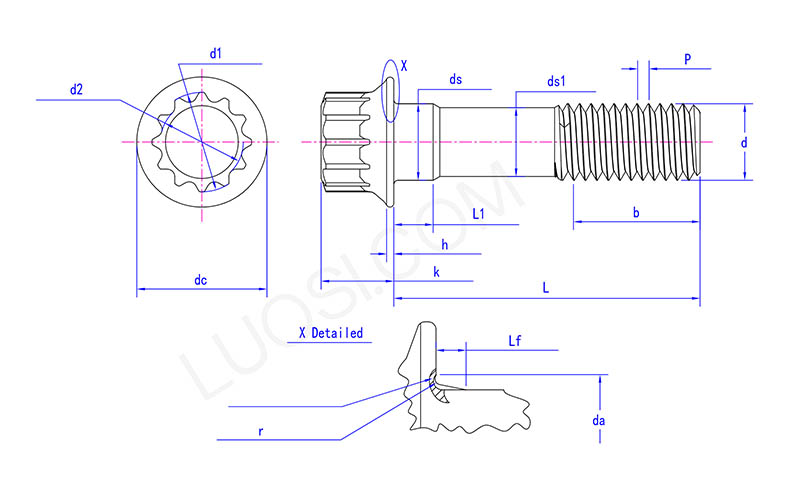
        Po M5 M6 M8 M10 M12 M14 M16 M20
        P 0.8 1 1.25 1.5 1.75 2 2 2.5
        ds max 5 6 8 10 12 14 16 20
        ds min 4.82 5.82 7.78 9.78 11.73 13.73 15.73 19.67
        stejnosměrný max 9.4 11.3 15 18.6 22.8 26.4 30.3 37.4
        h min 1.7 2.1 2.7 3.4 4.1 4.8 5.7 7.2
        k max 5 6 8 10 12 14 16 20
        d1 max 5.86 7.02 9.37 11.7 14.04 16.29 18.71 23.4
        d1 min 5.71 6.82 9.17 11.5 13.84 16.06 18.48 23.17
        d2 max 5.22 6.26 8.34 10.42 12.5 14.59 16.66 20.83
        d2 min 5.07 6.06 8.14 10.22 12.3 14.36 16.43 20.6
        da max 6.1 7.4 10.1 12.5 15.7 18.1 20.5 26.1
        Lf max 1.4 1.6 2.1 2.1 2.1 2.1 3.2 4.2
        r max 0.25 0.29 0.36 0.45 0.54 0.63 0.72 0.9
        r min 0.1 0.12 0.16 0.2 0.24 0.28 0.32 0.4
        ds1 max 4.54 5.39 7.26 9.08 10.95 12.77 14.77 18.49
        ds1 min 4.36 5.21 7.04 8.86 10.68 12.5 14.5 18.16
        L1 max 3.5 4 5 6 7 8 9 11
        L1 min 2.5 3 4 5 6 7 8 10

        Sezení otázek a odpovědí

        Je tento 12bodový přírubový šroub z obyčejné oceli vhodný pro venkovní použití?

        Tato verze z hladké oceli je určena pro vnitřní nebo krytá suchá prostředí. Nemá žádný extra antikorozní povlak, takže dlouhodobé vystavení venkovní vlhkosti nebo dešti může způsobit rez. Pokud potřebujete venkovní použití, můžeme doporučit volitelné upgrady povrchové úpravy za malý příplatek ke zlepšení odolnosti proti povětrnostním vlivům pro dlouhodobé venkovní aplikace.


        Hot Tags: 12bodový přírubový šroub z obyčejné oceli, Čína, Výrobce, Dodavatel, Továrna
        Související kategorie
        Odeslat dotaz
        Neváhejte a napište svůj dotaz do formuláře níže. Odpovíme vám do 24 hodin.
        X
        Používáme cookies, abychom vám nabídli lepší zážitek z prohlížení, analyzovali návštěvnost webu a přizpůsobili obsah. Používáním tohoto webu souhlasíte s naším používáním souborů cookie. Zásady ochrany osobních údajů
        Odmítnout Přijmout