Domov > produkty > Šroub > Šroub s kulatou hlavou > Anchor Secure Eye Bolt
        Anchor Secure Eye Bolt
        • Anchor Secure Eye BoltAnchor Secure Eye Bolt
        • Anchor Secure Eye BoltAnchor Secure Eye Bolt

        Anchor Secure Eye Bolt

        Všechny šrouby Anchor Secure Eye Bolts vyrobené společností Xiaoguo procházejí před exportem přísným testováním a společnost je může spolehlivě dodat. Partneři důvěřují Xiaoguo a kupující mohou nakupovat s důvěrou.

        Odeslat dotaz

        Popis výrobku

        Certifikát kontroly kvality

        Takže když získáte certifikát kontroly kvality pro Anchor Secure Eye Bolt, v zásadě je to dokument, který je dodáván s produktem, který ukazuje, že splňuje specifické normy, jako je ASTM A489. Tato dokumentace vám obvykle poskytne podrobnosti o tom, jaké materiály byly použity, zkontroluje, zda jsou všechny rozměry správné, potvrdí, že prošlo zátěžovým testem, a ověří povrchovou úpravu. Certifikát obvykle pochází z nezávislé laboratoře, která je akreditována k provádění tohoto druhu testování. Co je opravdu užitečné, je to, že vám umožňuje vysledovat produkt zpět k jeho výrobní šarži, což vám dává jistotu, že šroub s okem je skutečně bezpečný pro zvedací operace a bude fungovat tak, jak má, když jej použijete na staveništi.

        Anchor Secure Eye Bolt

        Použití produktu

        Anchor Secure Eye Bolt je tedy jednou z těch komponent, které se hodí v mnoha situacích – uvidíte je hlavně používat pro zvedání těžkých předmětů, pro montáž nebo jen pro bezpečné ukotvení věcí. Způsob, jakým je navržen, s kruhovým okem na jednom konci, umožňuje opravdu přímočaré připojení různých druhů spojovacího zařízení. Ať už jím potřebujete protáhnout kabel, uvázat lano nebo připevnit poutko, toto oko vám poskytne pevný bod, se kterým můžete pracovat. Proto je najdete neustále používané na stavbách, v docích a na lodích a v továrnách – všude tam, kde lidé potřebují zajistit náklad nebo bezpečně přemístit zařízení.

        Sezení otázek a odpovědí

        Otázka: Jaká je bezpečná pracovní zátěž pro váš Anchor Secure Eye Bolt? Bezpečné zatížení pro šroub závisí na jeho velikosti a typu. Vždy zkontrolujte tabulku jmenovitého zatížení pro konkrétní typ, který používáte. Nikdy nepřekračujte toto hodnocení – udržuje věci v bezpečí, když věci zvedáte.

        Anchor Secure Eye Bolt

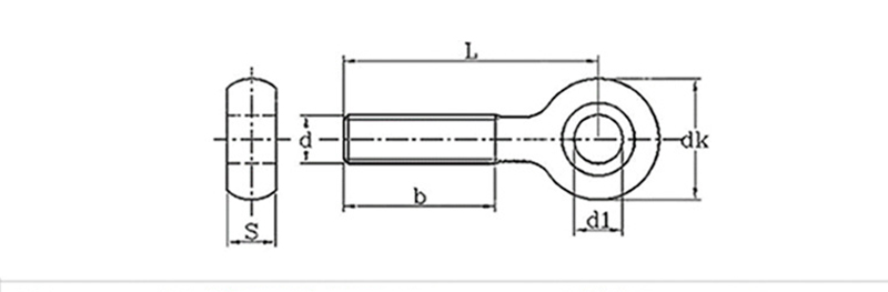
        mm
        Průměr závitu
        d1
        nevím
        s
        M6
        5 10.5 5.4
        M8
        6 13 7
        M10
        8 16 8.5
        M12
        10 19 10.5
        M14
        10 22 12

        Hot Tags: Anchor Secure Eye Bolt
        Související kategorie
        Odeslat dotaz
        Neváhejte a napište svůj dotaz do formuláře níže. Odpovíme vám do 24 hodin.
        X
        Používáme cookies, abychom vám nabídli lepší zážitek z prohlížení, analyzovali návštěvnost webu a přizpůsobili obsah. Používáním tohoto webu souhlasíte s naším používáním souborů cookie. Zásady ochrany osobních údajů
        Odmítnout Přijmout