Domov > produkty > Svařovací ořechy > Svařovaná matice > Třída 5 Svařte čtyřhranné matice s typem 1D
        Třída 5 Svařte čtyřhranné matice s typem 1D
        • Třída 5 Svařte čtyřhranné matice s typem 1DTřída 5 Svařte čtyřhranné matice s typem 1D
        • Třída 5 Svařte čtyřhranné matice s typem 1DTřída 5 Svařte čtyřhranné matice s typem 1D
        • Třída 5 Svařte čtyřhranné matice s typem 1DTřída 5 Svařte čtyřhranné matice s typem 1D

        Třída 5 Svařte čtyřhranné matice s typem 1D

        Přivařovací čtyřhranné matice třídy 5 s typem 1D splňují pevnostní normu 5. třídy. Jsou navrženy v typu 1D a jsou vhodné pro svařování na kovových plochách. Vhodné pro středně intenzivní stroje, ocelové rámy nebo průmyslová zařízení. Továrna Xiaoguo® má více než deset let zkušeností s výrobou spojovacího materiálu a má profesionální personál, který splňuje vaše potřeby.
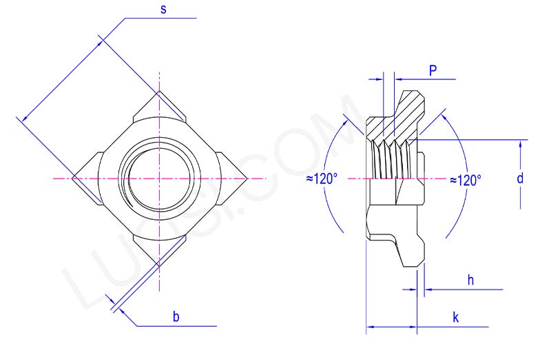
        Modelka:JIS B1196-2-2001

        Odeslat dotaz

        Popis výrobku

        Přivařovací čtyřhranné matice třídy 5 s typem 1D mají čtyři ploché strany. Střed matice má standardní závitový otvor, který je vhodný pro použití s ​​odpovídajícími šrouby. Na svařovací ploše matice je několik malých výstupků, které jsou klíčovými díly pro svařování.

        Výhody produktu

        Přivařovací čtyřhranné matice třídy 5 typu 1D nemají tvar úhlového otvoru. Místo toho je ve spodní části navržen malý a vyvýšený výstupek. Jsou speciálně navrženy pro odporové bodové svařování. Elektrody tlačí dolů a proud protéká vyvýšenou oblastí. Vyvýšená oblast se okamžitě roztaví a spojí matici s podkladovým kovem.

        Přivařovací čtyřhranné matice třídy 5 s typem 1D se snadno a rychle svařují. Zarovnejte zařízení s malými výstupky na matici a trochu zahřejte. Poté lze matici rychle navařit na železnou desku nebo jiné kovové obrobky. Oproti běžným maticím, které pro montáž vyžadují šroubování, tato metoda výrazně šetří čas. Matice se nebude snadno otáčet a její stabilita je mnohem lepší než u kruhové matice.

        Jednou z hlavních výhod svařování čtyřhranných matic typu 1D s třídou 5 je konzistentnost procesu svařování. Vzhledem k tomu, že výstupky mohou přesně řídit polohu vytvoření svarového švu, automatický bodový svařovací stroj může dosáhnout spolehlivých výsledků v každém cyklu. Ve srovnání s ručním průchozím svařováním je možnost nedostatečné pevnosti svaru v důsledku vyosení svařovací pistole mnohem nižší.

        Po použití svarových čtyřhranných matic třídy 5 s typem 1D zkontrolujte svarové nugety. Na každém výčnělku byste měli vidět pevný bod fúze. Mělo by se zdát, že je zcela zatavený do základního materiálu. Pokud je tvar výstupku stále viditelný nebo vypadá jako zuhelnatělý/poškrábaný, může být nutné upravit nastavení svařování (proud, čas, tlak), aby bylo dosaženo bezpečného spojení.

        Parametry produktu

        Po
        M4 M5 M6 M8 M10 M12
        P
        0.7 0.8 1 1|1.25 1,25|1,5 1,25|1,75
        s max
        8 9 10 12 14 17
        s min
        7.64 8.64 9.64 11.57 13.57 16.57
        k max
        3.2 4 5 6.5 8 10
        k min
        2.9 3.7 4.7 6.14 7.64 9.57
        h max
        1 1 1 1 1 1.2
        h min
        0.8 0.8
        0.8
        0.8
        0.8
        1
        b max
        0.5 0.5 0.5 1 1 1
        b min
        0.3 0.3 0.3 0.5 0.5 0.5

        parameter of Class 5 weld square nuts with type 1D

        Hot Tags: Třída 5 přivařit čtvercové matice s typem 1D, Čína, výrobce, dodavatel, továrna
        Související kategorie
        Odeslat dotaz
        Neváhejte a napište svůj dotaz do formuláře níže. Odpovíme vám do 24 hodin.
        X
        Používáme cookies, abychom vám nabídli lepší zážitek z prohlížení, analyzovali návštěvnost webu a přizpůsobili obsah. Používáním tohoto webu souhlasíte s naším používáním souborů cookie. Zásady ochrany osobních údajů
        Odmítnout Přijmout