Kovaný šroub s okemjsou pevné spojovací prvky používané pro zvedání, lanoví a kotvení. Na jednom konci mají kulatou smyčku "oko" a na druhém dřík se závitem. Ty umožňují bezpečně připevnit kabely, lana nebo řetězy. Jsou vyrobeny tak, aby zvládaly pohyblivé i stacionární náklady. Uvidíte je hodně ve stavebnictví, námořních pracích a logistice.
Existují různé typy, jako je ramenní šroub, strojní šroub a šroubová oka. Každý typ funguje pro různé velikosti zátěže a prostředí. Jejich konstrukce je odolná a spolehlivá, díky čemuž jsou důležité pro zajištění bezpečnosti a správné fungování v průmyslovém prostředí.
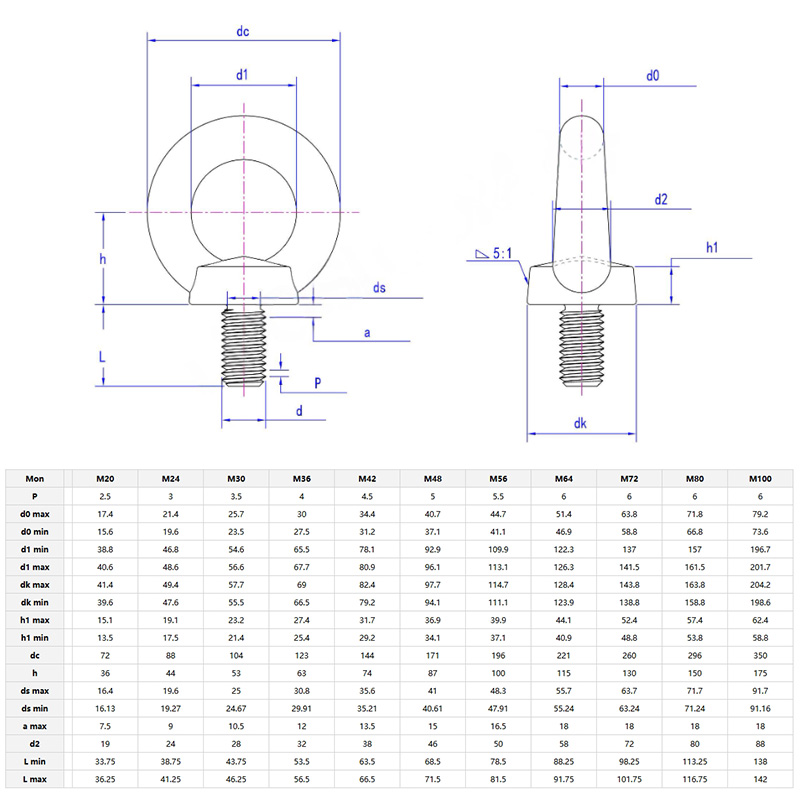
Kovaný šroub s okemdodávají se ve velikostech závitů od M6 až po M48 a jsou dimenzovány pro zatížení od 50 kg do více než 20 tun. Pokud používáte ramenní typy, pamatujte – musíte je zašroubovat až na doraz, abyste dosáhli jejich maximální hmotnosti. Šroubovací oči? Jsou lepší pro lehčí práce. Vždy zkontrolujte, zda mají certifikace jako DIN, ISO nebo ASTM – podle toho poznáte, že jsou legitimní.
Věci, jako je velikost oka, délka stopky a rozteč závitů, závisí na vaší práci, proto křížově zkontrolujte grafy hmotnosti, abyste se vyhnuli neshodám. Potřebujete něco zvláštního pro speciální projekt? Někteří dodavatelé vám dokonce upraví velikosti nebo nitě. Při objednávce prostě nepřeskakujte detaily.

Otázka: Jaká je vaše maximální nosnostkovaný šroub s okema jak se to určuje?
Odpověď: Jak velkou váhu dokáže udržet, záleží na třech věcech: z čeho je vyroben, jak je tlustý a jak je postaven. Vezměte si například kované z uhlíkové oceli – jsou tužší než lisované nebo ohýbané verze a zvládnou hmotnost od 0,25 tuny do 11 tun. Limit pracovní zátěže (WLL) – to je maximální bezpečná hmotnost, kterou mohou zvládnout – se určuje pomocí pravidel, jako je ASME B30.26 nebo DIN 580. Tato pravidla jsou postavena na bezpečnostním polštáři, obvykle v poměru 4:1 nebo 5:1, takže jsou mnohem silnější, než naznačuje číslo. V zásadě, pokud je dimenzován na 1 tunu, je ve skutečnosti vyroben tak, aby zvládl 4 nebo 5 tun, než něco půjde stranou.