Domov > produkty > Šroub > Šroub s kulatou hlavou > Vysokokapacitní šroub s okem
        Vysokokapacitní šroub s okem
        • Vysokokapacitní šroub s okemVysokokapacitní šroub s okem
        • Vysokokapacitní šroub s okemVysokokapacitní šroub s okem

        Vysokokapacitní šroub s okem

        Vysokokapacitní šrouby s okem jsou precizně vyrobeny z vysoce pevných materiálů, které mají vysokou nosnost. Šrouby s okem Xiaoguo s vysokou nosností splňují mezinárodní bezpečnostní normy a jsou vhodné pro zvedání těžkých zařízení, inženýrské instalace a další scénáře. Xiaoguo zajišťuje, že každý produkt splňuje přísné bezpečnostní normy.

        Odeslat dotaz

        Popis výrobku

        Než budete vůbec přemýšlet o použití vysokokapacitního šroubu s okem, pořádně si ho prohlédněte. Zkontrolujte, zda nejsou zjevně poškozena, jako jsou praskliny, ohyby nebo zda není opotřebovaná. Také se ujistěte, že všechny informace na něm vyražené, zejména limit pracovní zátěže (WLL), jsou jasné a snadno čitelné. Pokud to pořádně nevidíte, je lepší to přeskočit a chytit si jinou.

        Když ji vkládáte, zašroubujte ji celou do otvoru, dokud nebude ramenní část sedět úplně rovně a přiléhat k povrchu. Nikdy nepoužívejte kladivo, abyste to vynutili – to může věci zkazit. Stačí použít správný nástroj, jako je hasák, abyste jej utáhli a zajistili.

        Pokud jde o způsob působení zátěže, vždy ji udržujte v rovině s okem šroubu. Nikdy netahejte do strany nebo pod nějakým podivným úhlem, protože to může způsobit selhání. Pokud používáte ramenní šroub s okem pro zdvihy, které nejsou přímo vzhůru, udržujte úhel pod 45 stupňů a pamatujte, že budete muset snížit WLL, abyste zohlednili úhel. To pomáhá vyhnout se přetížení a udržuje vše bezpečnější při práci.

        Balení produktu

        Pokud si jen vyzvednete malou sadu šroubů s vysokokapacitním okem v železářství, pravděpodobně vám přijdou v jednoduché kartonové krabici. Ale pokud objednáváte hromadně pro velkou zakázku nebo pro průmyslové použití, právě tehdy se věci mění. Často jsou bezpečně zabaleny v těžkých papírových kartonech, které jsou poté stohovány a přichyceny na dřevěné palety. Tato paletizace je docela standardní, protože dělá přepravu a manipulaci mnohem stabilnější a bezpečnější pro všechny zúčastněné.

        Dalším velmi běžným způsobem, jak je uvidíte zabalené, je jednotlivě nebo ve skupinách nejprve uvnitř průhledných plastových sáčků. Tyto sáčky jsou skvělé pro udržení vlhkosti a prachu. Poté jsou tyto sáčky umístěny do silnějšího vnějšího papírového kartonu pro další vrstvu ochrany během přepravy. Upřímně řečeno, hlavním smyslem všech těchto obalů není být ozdobný; je to jen praktické. Jeho jediným úkolem je chránit šrouby s okem před prasknutím, zrezivením nebo poškozením, když jsou odesílány k vám nebo uloženy ve skladu.

        Sezení otázek a odpovědí

        Otázka: Jaký je rozdíl mezi běžným a ramenním šroubem s vysokokapacitním okem? Šroub s ramenovým vzorem má větší dosedací plochu pod okem, takže lépe rozkládá zatížení. Tento je silnější a měli byste ho používat pro úhlové zdvihy – na rozdíl od běžného typu, který funguje pouze pro přímé vertikální zatížení.

        High Capacity Eye Bolt

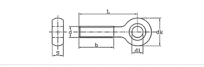
        mm
        Průměr závitu
        d1
        nevím
        s
        M6
        5 10.5 5.4
        M8

        6

        13 7
        M10
        8 16 8.5
        M12
        10 19 10.5
        M14
        10 22 12


        Hot Tags: Vysokokapacitní šroub s okem
        Související kategorie
        Odeslat dotaz
        Neváhejte a napište svůj dotaz do formuláře níže. Odpovíme vám do 24 hodin.
        X
        Používáme cookies, abychom vám nabídli lepší zážitek z prohlížení, analyzovali návštěvnost webu a přizpůsobili obsah. Používáním tohoto webu souhlasíte s naším používáním souborů cookie. Zásady ochrany osobních údajů
        Odmítnout Přijmout