Skutečně běžnou metodou, kterou uvidíte, je galvanické pokovování. To je místo, kde na ocel nanesou tenkou vrstvu něčeho jako zinek nebo nikl. Poskytuje vám slušnou základní ochranu proti korozi a také dělá šroub trochu světlejší. Ale pokud potřebujete něco odolnějšího pro drsné prostředí, jako je venku na staveništi nebo ve vlhké mořské oblasti, budete chtít hledat žárově pozinkovaný šroub s okem. Tento proces vytváří mnohem silnější povlak, který je mnohem robustnější a v průběhu času zvládne mnohem více zneužívání.
Pak je tu nerezová ocel. Chcete-li to použít, pokud pracujete na místech, kde by mohlo dojít k namočení nebo korozi, například v blízkosti oceánu nebo v chemických závodech. Nejběžnější třídy jsou 304 a 316, přičemž 316 je o něco odolnější pro opravdu drsná nastavení. Na druhou stranu, pokud zvedáte opravdu těžká břemena, budete muset přikročit k šroubu s okem z kované legované oceli. Tento materiál je speciálně vyroben tak, aby zvládl mnohem vyšší požadavky na pevnost, takže je mnohem tvrdší než vaše standardní uhlíková ocel.
Když získáte šroub Lift Assured Eye, všimnete si, že mají často různé povrchové úpravy. To není jen pro vzhled; tyto povrchové úpravy jsou skutečně o tom, aby šroub vydržel déle a bojoval proti rzi, což je velmi důležité pro bezpečnost a odolnost.

Skutečně běžnou metodou, kterou uvidíte, je galvanické pokovování. To je místo, kde na ocel nanesou tenkou vrstvu něčeho jako zinek nebo nikl. Poskytuje vám slušnou základní ochranu proti korozi a také dělá šroub trochu světlejší. Ale pokud potřebujete něco odolnějšího pro drsné prostředí, jako je venku na staveništi nebo ve vlhké mořské oblasti, budete chtít hledat žárově pozinkovaný šroub s okem. Tento proces vytváří mnohem silnější povlak, který je mnohem robustnější a v průběhu času zvládne mnohem více zneužívání.
Existují i další možnosti. Například černý oxid je úprava, která zanechává šroub s tmavým, nereflexním povrchem. Nabízí určitou odolnost proti korozi, ale často se volí spíše pro svůj vzhled a snížení oslnění. A pro šrouby z nerezové oceli často používají proces zvaný pasivace. Může to znít složitě, ale je to v podstatě chemická lázeň, která pomáhá čistit a posilovat přirozenou ochrannou vrstvu na nerezové oceli, čímž zvyšuje její schopnost odolávat korozi.
Otázka: Dodává se váš šroub Lift Assured Eye s certifikací? Ano, můžeme vám dát zkušební certifikát pro šroub Lift-Assured Eye. Dokazuje to, že šroub s okem splňuje normy jako ASME B18.15, a potvrzuje, z jakého materiálu je vyroben, a jeho mechanické vlastnosti.
|
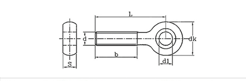
mm |
|||
|
Průměr závitu |
d1 |
nevím |
s |
|
M6 |
5 |
10.5 |
5.4 |
|
Sezení otázek a odpovědí |
6 | 13 | 7 |
|
M10 |
8 | 16 | 8.5 |
|
M12 |
10 | 19 | 10.5 |