Typy šroubů s okem ramenního typu pro spojovací prvek jsou definovány pevnostními a materiálovými normami, které jsou rozhodující pro bezpečné zvedání. Mezi běžné třídy patří 4,8, 8,8, 10,9 a 12,9 pro varianty uhlíkové oceli – vyšší čísla znamenají vyšší pevnost v tahu. Stupeň 4.8 vyhovuje nenáročným úkolům, jako je domácí kutilství, zatímco 8.8 je vhodný pro běžné průmyslové použití. Vysokopevnostní třídy 10,9 a 12,9 zvládnou velké zatížení ve stavebnictví nebo strojích.
Verze z nerezové oceli často následují třídy A4 (316) nebo A2 (304), přičemž upřednostňují odolnost proti korozi pro mořské/chemické prostředí. Kované legované oceli nabízejí vynikající odolnost pro extrémní zvedání. Každá třída je označena jmenovitými zatíženími, což zajišťuje kompatibilitu se zamýšlenými aplikacemi a bezpečnost.
Kontrola kvality šroubu s okem ramenního typu znamená provádět důkladné kontroly, abyste se ujistili, že je bezpečný a funguje správně. Tento proces obvykle zahrnuje ujištění se, že jakost materiálu je správná, kontrolu závitů, zda jsou přesné, a provedení zátěžových testů pro potvrzení limitu pracovního zatížení (WLL). Kontrolují také, zda rozměry odpovídají normám jako DIN nebo ISO. Každá šarže šroubů s okem by měla být sledovatelná a získáte certifikaci, která prokáže, že splňuje požadavky na to, jak je budete používat.

Otázka: Jak mám správně nainstalovat šroub s okem ramenního typu? U standardního šroubu jej celý zašroubujte přímo do otvoru se závitem – ujistěte se, že se rameno s okem dotýká povrchu. Tažení pod úhlem zcela sníží jeho bezpečnou pracovní zátěž, a to je nebezpečné.

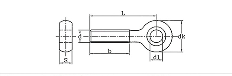
mm
Průměr závitu
d1
nevím
s
M6
5
10.5
5.4
M8
6
13
7
M10
8
16
8.5
M12
10
19
10.5
M14
10
22
12