Tyto UN nýtované čepy pro desku PCB jsou obvykle vyrobeny z dobrých ocelových slitin, jako je nízkouhlíková nebo nerezová ocel nebo hliník. Mají solidní mechanickou pevnost a dobře drží v průběhu času.
Ocelové nabízejí nejvyšší pevnost v tahu a ve smyku. Hliníkové zase pěkně vedou elektřinu a jsou lehké.
Kov zvolený pro tyto čepy znamená, že zvládnou velké mechanické zatížení, namáhání z cyklů zahřívání a chlazení a zůstávají pevné po celou dobu používání produktu.
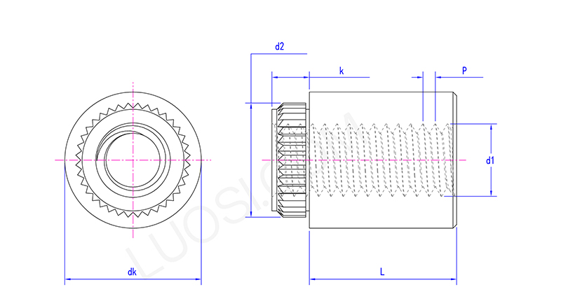
UN nýtovaný kolík pro desku PCB je trvalý a vysoce pevný spojovací prvek používaný k zajištění spolehlivého fixačního bodu s vnějším závitem na deskách s plošnými spoji (PCB). Zde „UN“ obvykle představuje „Uniform National Standard“ s odkazem na typ normalizovaného šroubového závitu, který má (jako je UNC nebo UNF), což zajišťuje jeho kompatibilitu s různými standardními maticemi.
Proces instalace je rychlý a efektivní. Vložte čep do předvrtaného otvoru na desce plošných spojů. Poté použijte speciální nýtovací nástroj k deformaci plochého konce svorníku, který způsobí jeho roztažení směrem ven a pevné sevření mezi hlavou nýtu a osazením nebo přírubou svorníku, čímž vytvoříte pevné spojení odolné proti vibracím bez nutnosti svařování.
Tato metoda je vhodná zejména pro scénáře, které vyžadují vydržet velké mechanické namáhání, vyžadují vícenásobné zásuvné operace nebo kde teplo generované svařováním může poškodit citlivé součásti.
Tyto UN nýtované svorníky pro PCB desku se vkládají metodou tváření za studena nebo nýtováním.
Čep prostrčíte předvrtaným otvorem v DPS. Poté speciální nýtovací nástroj ohne dřík čepu proti matrici pod deskou, čímž vytvoří trvalý rozšířený zámek, který jej drží na místě.
Metoda zpracování za studena generuje méně tepla a nepoškodí laminát PCB nebo obvody. Při správné instalaci čepy poskytují pevnou fixaci odolnou proti vibracím, aniž by narušily strukturu desky plošných spojů.

| Trh | Tržby (předchozí rok) | Celkové tržby (%) |
| Severní Amerika | Důvěrné | 20 |
| Jižní Amerika | Důvěrné | 4 |
| východní Evropa | Důvěrné | 24 |
| Jihovýchodní Asie | Důvěrné | 2 |
| Afrika | Důvěrné | 2 |
| Oceánie | Důvěrné | 1 |
| Střední východ | Důvěrné | 4 |
| východní Asie | Důvěrné | 13 |
| západní Evropa | Důvěrné | 18 |
| Střední Amerika | Důvěrné | 6 |
| Severní Evropa | Důvěrné | 2 |
| jižní Evropa | Důvěrné | 1 |
| Jižní Asie | Důvěrné | 4 |
| Domácí trh | Důvěrné | 5 |