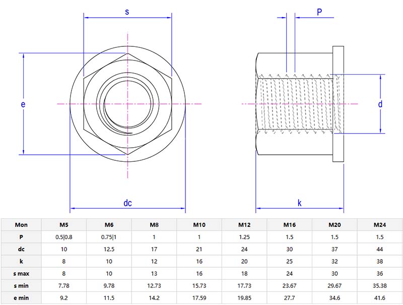
Šestiúhelníková matice s límcemjsou standardní matice šestiúhelníku. Pod hlavou šestiúhelníku je prodloužený válcový límec. Kolík přidává další zapojení vlákna a chrání vlákna šroubu před poškozením. Límec se chová jako vestavěná podložka.
	
 
Šestiúhelníková matice s límcemje praktická upevňovací prvky, kde se límec sahá pod hexovou hlavou, což vám dává 2-3 další vlákna pro bezpečnější přilnavost. Standardní hexagonální tvar lze použít se všemi běžnými klíči a hladký okraj límce usnadňuje instalaci pracovníků. Ačkoli o něco těžší než základní matice, vestavěný límec přidává sílu a eliminuje potřebu samostatné podložky nebo těsnění. Pokud potřebujete další zapojení vlákna nebo chcete minimalizovat exponované ostré hrany v mechanické, konstrukci, doporučujeme vám vybrat nᚊestiúhelníková matice s límcem.
	
 
Proč si vybratŠestiúhelníková matice s límcem?
Límec drží šroub déle a snižuje riziko ztráty nití při těžkých zatíženích. Může také pokrývat ostré konce šroubů, takže je bezpečnější používat na hřištích, nábytku nebo vybavení. Stačí nainstalovat matici, límec může hrát dvojí roli. Ideální pro prostředí, kde se změny šroubu nebo vlákna vyžadují ochranu.
Šestiúhelníková matice s límcemse používá v automobilovém průmyslu (systémy odpružení, úchyty motorů), konstrukci a zemědělství. Používají se také při sestavování nábytku, fitness vybavení a kutilských projektech, kde jsou šrouby často upravovány.
Šestiúhelníková matice s límcemPoskytuje další bezpečnost vlákna. Žádné další podložky ani kryty, je to ideální pro nadšence pro kutily nebo průmyslová odvětví, která upřednostňují efektivitu. Je o něco dražší, ale šetří čas a snižuje počet použitých dílů.