Domov > produkty > Matice > Šestihranná matice > Vysokopevnostní šestihranné matice
        Vysokopevnostní šestihranné matice
        • Vysokopevnostní šestihranné maticeVysokopevnostní šestihranné matice
        • Vysokopevnostní šestihranné maticeVysokopevnostní šestihranné matice
        • Vysokopevnostní šestihranné maticeVysokopevnostní šestihranné matice

        Vysokopevnostní šestihranné matice

        Vysoce pevné šestihranné matice jsou vyrobeny z uhlíkové oceli nebo uhlíkové legované oceli s obsahem uhlíku mezi 0,35 % a 0,4 %. Jsou pevné a odolné. Výrobce Xiaoguo® může splnit vaše požadavky na vysoce pevné šestihranné matice a poskytnout různé specifikace jmenovitého průměru, jako je M12, M16, M20, M24 atd., které lze také přizpůsobit.
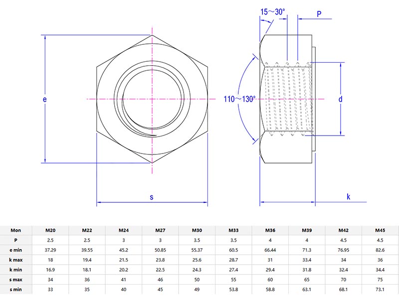
        Modelka:GB/T 33943-2017

        Odeslat dotaz

        Popis výrobku

        Thevysoce pevné šestihranné maticenejsou náchylné k rozbití při velkém zatížení. Jejich tepelně zpracovaná struktura je odolná proti ohybu a zesílená konstrukce zajišťuje rovnoměrné rozložení síly na matici.

        Vlastnosti a parametry

        High Strength Hex Nuts


        Hlavní funkcí vysoce pevných šestihranných matic je použití ve spojení se šrouby k pevnému upevnění předmětů k sobě. Tyto ořechy vydrží obrovské síly. Na velké stavbě se používají k upevnění obrovských ocelových nosníků. Ve stavebních projektech, i když se setkají se silným větrem nebo zemětřesením, mohou zabránit zřícení budov.

        Dokoncevysoce pevné šestihranné maticese opotřebuje. Při kontrole prosím zkontrolujte, zda na povrchu matice nejsou důlky rzi a zda se závity neloupou nebo praskají. Pokud se matice na čistém šroubu otáčí příliš rychle, zlikvidujte ji. Z bezpečnostních důvodů ji vyměňte za novou matici. Nemíchejte ořechy různých jakostí.

        Ve stavebnictví se pro stavbu ocelových konstrukcí používají šestihranné matice s vysokou pevností. Dělníci pomocí těchto matic připevnili nosníky a sloupy k sobě a vytvořili pevný rám. Všechny tyto matice mohou zajistit integritu malých obytných budov a velkých komerčních staveb. Vydrží váhu a sílu působící na budovy nebo mosty a jsou odolné.


        High Strength Hex Nuts

        Tipy pro instalaci

        Při instalacivysoce pevné šestihranné matice, použijte k utažení kalibrovaný klíč. Matice, které splňují specifikace, mohou být pevně spojeny. Přílišné utažení způsobí natažení šroubů, zatímco nedostatečné utažení způsobí selhání spoje a uvolněné spoje. Při instalaci používejte odpovídající vysokopevnostní šrouby a tvrzené podložky. Při venkovním použití volte galvanizované nebo nerezové materiály, abyste zabránili korozi. Během kritické instalace vyměňte tyto matice a znovu je nepoužívejte.

        Hot Tags: Vysokopevnostní šestihranné matice, Čína, výrobce, dodavatel, továrna
        Související kategorie
        Odeslat dotaz
        Neváhejte a napište svůj dotaz do formuláře níže. Odpovíme vám do 24 hodin.
        X
        Používáme cookies, abychom vám nabídli lepší zážitek z prohlížení, analyzovali návštěvnost webu a přizpůsobili obsah. Používáním tohoto webu souhlasíte s naším používáním souborů cookie. Zásady ochrany osobních údajů
        Odmítnout Přijmout