Domov > produkty > Matice > Šestihranná matice > Systém HR velké šestihranné matice
        Systém HR velké šestihranné matice
        • Systém HR velké šestihranné maticeSystém HR velké šestihranné matice
        • Systém HR velké šestihranné maticeSystém HR velké šestihranné matice
        • Systém HR velké šestihranné maticeSystém HR velké šestihranné matice

        Systém HR velké šestihranné matice

        Systémové HR velké šestihranné matice jsou součástí předepjatého vysokopevnostního šroubového konstrukčního spojovacího páru, používaného společně s velkými šestihrannými šrouby typu HR a často se používají v ocelových konstrukcích ve stavebnictví. Produkty profesionálních výrobců Xiaoguo® byly testovány a splňují standardy kvality a jsou cenově dostupné.
        Modelka:EN 14399-7-2007

        Odeslat dotaz

        Popis výrobku

        Systém HR velké šestihranné maticese používají v kombinaci s velkými šrouby a obvykle se používají v pracích, které vyžadují větší sílu a stabilitu. Často se používají ve stavebnictví, například v budovách s ocelovou konstrukcí, k upevnění nosníků a sloupů dohromady.

        Detaily a parametry produktu

        System HR large hexagon nuts

        Při instalaci systémových HR velkých šestihranných matic je třeba věnovat pozornost některým detailům. Nejprve se ujistěte, že velikost závitu matice přesně odpovídá šroubu. Jakákoli neshoda může vést k nezabezpečenému připojení. Po nalezení vhodné matice nasaďte matici na šroub. Poté zvedněte klíč. Otočením klíče ve směru hodinových ručiček utáhněte matici. Protože jsou tyto matice vhodné pro aplikace s vysokou pevností, je třeba k jejich utažení vyvinout značnou sílu.

        Ve stavebnictví se velké šestihranné matice používají pro stavbu budov s ocelovou konstrukcí. Dělníci použili tyto matice k upevnění nosníků a sloupů k sobě, aby postavili pevnou kostru budovy. Při stavbě mostů jsou velmi důležité při spojování mostní konstrukce a zajišťují, že unese hmotnost vozidel a přírodní síly. Používají se také k výstavbě velkých skladů a průmyslových objektů.

        Systém HR velké šestihranné maticese používají v důlních zařízeních, větrných turbínách nebo těžké stavební technice. Často se používají ve vysoce namáhaných prostředích, jako jsou ocelárny nebo loděnice, a jejich velký šestihranný tvar je vhodný pro průmyslové klíče. Zemědělci je používají na traktorech. Továrny na ně spoléhají při instalaci přenosových systémů.

        System HR large hexagon nuts

        Úvahy o velikosti

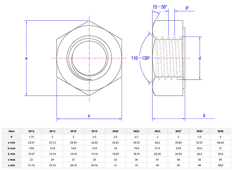
        Systém HR velká šestihranná maticesjsou k dispozici v různých velikostech. Menší velikosti (např. kolem M12) lze použít pro malé konstrukce, které stále vyžadují pevné spojení. Například konstrukce malých kovových rámů pro zařízení nebo některá zařízení lehkého průmyslu. Větší velikosti (v některých případech až M36 nebo i větší) jsou vhodné pro rozsáhlé stavební projekty. Při stavbě velkých průmyslových závodů nebo vícepatrových budov se tyto velké matice používají k upevnění hlavních konstrukčních součástí. Před výběrem matice je velmi důležité přesně změřit velikost šroubu.

        Hot Tags: System HR velké šestihranné matice, Čína, výrobce, dodavatel, továrna
        Související kategorie
        Odeslat dotaz
        Neváhejte a napište svůj dotaz do formuláře níže. Odpovíme vám do 24 hodin.
        X
        Používáme cookies, abychom vám nabídli lepší zážitek z prohlížení, analyzovali návštěvnost webu a přizpůsobili obsah. Používáním tohoto webu souhlasíte s naším používáním souborů cookie. Zásady ochrany osobních údajů
        Odmítnout Přijmout