Domov > produkty > Matice > Kulatá matice > Plně závitové drážkované kulaté matice
      Plně závitové drážkované kulaté matice
      • Plně závitové drážkované kulaté maticePlně závitové drážkované kulaté matice
      • Plně závitové drážkované kulaté maticePlně závitové drážkované kulaté matice

      Plně závitové drážkované kulaté matice

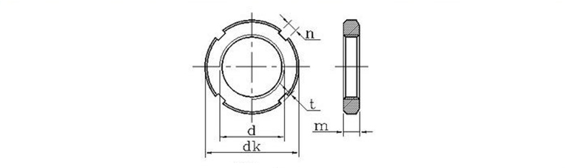
      Plně závitové drážkované kulaté matice jsou navrženy se zářezy na jejich vnějším okraji pro použití s ​​kolíkovými klíči. V současné době mnoho zákazníků nakupuje tyto produkty z Číny XIAOGUO, protože jsou nákladově efektivní a mají stabilní a spolehlivé dodávky.

      Odeslat dotaz

      Popis výrobku

      Návod k použití produktu

      Fully Threaded Slotted Round Nuts - they are defined according to standards such as DIN 546 and are mainly used to achieve a secure fastening connection and can withstand vibrations. Hlavní rys těchto matic spočívá ve štěrbinách vyříznutých na jednom konci matice. Zde je návod, jak je používat: Nejprve našroubujte matici na předvrtaný šroub nebo čep a utáhněte ji do požadované polohy. Po utažení vyrovnejte drážku s otvorem na hřídeli šroubu. Nakonec zasuňte otevřený kolík (pojistnou podložku) nebo bezpečnostní lano skrz zarovnanou drážku a otvor pro šroub a poté ohněte konce kolíku, abyste zajistili bezpečné uchycení. V případě vibrací se tedy matice neuvolní.

      Balení produktu

      Na základě našich výsledků šetření nabízíme řadu kulatých matic s plným závitem s drážkou, které jsou velmi vhodné pro průmyslové aplikace. Jejich balení do sáčků nebo krabic je běžnou a praktickou metodou. Každý sáček obvykle obsahuje určitý počet ořechů, například 100 na sáček. Tato balená forma je vhodná pro přepravu, počítání zásob a distribuci na dílně nebo montážní lince. Obal je obvykle průhledný nebo má štítky, což vám umožní rychle identifikovat typ a velikost ořechů. Pokud jste výrobce nebo velký odběratel, můžeme zajistit i větší množství kartonových obalů nebo upravit obaly dle vašich požadavků. To pomáhá snižovat náklady a zajistit plynulejší chod dodavatelského řetězce projektu.

      Sezení otázek a odpovědí

      Z jakých materiálů jsou vaše kulaté matice s plným závitem obvykle vyrobeny?

      Odpověď: Obvykle vyrábíme naše matice z uhlíkové oceli pro všeobecné použití. Máme také možnosti z nerezové oceli (třídy 304 a 316), pokud potřebujete něco, co odolává korozi, a mosazné pro nemagnetické aplikace. Stačí si vybrat materiál pro ořechy podle toho, jaké konkrétní prostředí a mechanické potřeby potřebujete.

      Fully Threaded Slotted Round Nuts


      jednotka: mm
      d*P nevím m n t Kvalita na 1000 ocelových výrobků≈kz d*P nevím m n t Kvalita na 1000 ocelových výrobků≈kg
      max min max min max min max min
      M10*1 22 8 4.3 4 2.6 2 16.82 M64*2 95 12 8.36 8 4.25 3.5 351.9
      M12*1,25 25 21.58 M65*2 95 342.4
      M14*1,5 28 26.82 M68*2 100 10.36 10 4.75 4 380.2
      M16*1,5 30 5.3 5 3.1 2.5 28.44 M72*2 105 15 518
      M18*1,5 32 31.19 M75*2 105 477.5
      M20*1,5 35 37.31 M76*2 110 562.4
      M22*1,5 38 10 54.91 M80*2 115 608.4
      M24*1,5 42 68.88 M85*2 120 640.6
      M25*1,5 42 68.88 M90*2 125 18 12.43 12 5.75 5 796.1
      M27*1,5 45 75.49 M95*2 130 834.7
      M30*1,5 48 82.11 M100*2 135 873.3
      M33*1,5 52 6.3 6 3.6 3 93.32 M105*2 140 895
      M35*1,5 52 84.99 M110*2 150 14.43 14 6.75 6 1076
      M36*1,5 55 100.3 M115*2 155 22 1369
      M39*1,5 58 107.3 M120*2 160 1423
      M40*1,5 58 109.5 M125*2 165 1477
      M42*1,5 62 121.8 M130*2 170 1531
      M45*1,5 68 153.6 M140*2 180 26 1937
      M48*1,5 72 12 8.36 8 4.25 3.5 201.2 M150*2 200 16.43 16 7.9 7 2651
      M50*1,5 72 186.8 M160*3 210 2810
      M52*1,5 78 238 M170*3 220 2970
      M55*2 78 214.4 M180*3 230 30 3610
      M56*2 85 290.1 M190*3 240 3794
      M60*2 90 320.3 M200*3 250 3978





      Hot Tags: Plně závitové drážkované kulaté matice, Čína, výrobce, dodavatel, továrna
      Související kategorie
      Odeslat dotaz
      Neváhejte a napište svůj dotaz do formuláře níže. Odpovíme vám do 24 hodin.
      X
      We use cookies to offer you a better browsing experience, analyze site traffic and personalize content. By using this site, you agree to our use of cookies. Privacy Policy
      Reject Accept