Domov > produkty > Matice > Kulatá matice > Kulatá matice s drážkou
        Kulatá matice s drážkou
        • Kulatá matice s drážkouKulatá matice s drážkou
        • Kulatá matice s drážkouKulatá matice s drážkou

        Kulatá matice s drážkou

        Kulatá matice Xiaoguo® vyrobená v Číně se slotem odpovídá národním normám GB812, německé normě DIN 981 a mezinárodní normě ISO 7718. Proto jsou velikost a přesnost závitu produktu přísně regulovány a sledovatelné. Kulatá matice s drážkou Vzorek zdarma Tento vzorek vám poskytneme v rané fázi naší spolupráce.

        Odeslat dotaz

        Popis výrobku

        Proces přizpůsobení

        Obvyklý proces přizpůsobení pro nestandardní kulatou matici s drážkou je:

        (1)Komunikace s poptávkou: Jasně definujte požadavky na funkce produktu, rozměry, materiály atd.

        (2)Potvrzení výkresu: Poskytněte 2D/3D výkresy a komunikujte s inženýry, abyste potvrdili rozměry a tolerance.

        (3) Výroba vzorků: Forma je vyrobena pro výrobu vzorků a poté, co projdou testy a ověřením, budou zákazníkům poskytnuty fotografie a videa.

        (4)Sériová výroba: Poté, co zákazník potvrdí, že vzorek je kvalifikovaný, začíná fáze hromadné výroby.

        (5)Kontrola kvality při dodání: Před odesláním jsou prováděny přísné kontroly a spolu se zbožím jsou poskytovány zprávy o kvalitě.

        Round Nut with Slot

        Přizpůsobitelné hlavní aspekty

        Nestandardní služba přizpůsobení pro kulatou matici s drážkou je velmi vyspělá. Téměř všechny klíčové parametry lze flexibilně upravit podle vašeho aktuálního použití.

        (1)Rozměry a specifikace:

        Nastavení v plné velikosti: Vnější průměr, vnitřní průměr a tloušťka (výška) lze přizpůsobit.

        Specializované přizpůsobení: Mohou být poskytnuty přizpůsobené verze, jako jsou podlouhlé, stupňovité typy matic, typy matic se slepými otvory atd.

        (2)Parametry vlákna:

        Různé standardy závitů: Kromě běžně používaných metrických jemných závitů podporuje také metrické hrubé závity, americké standardní závity a britské standardní závity atd.

        Speciální typ závitu: Závity lze přizpůsobit podle požadavků.


        (3)Výběr materiálu:

        Kovové materiály: uhlíková ocel, legovaná ocel, nerezová ocel, mosaz, slitina hliníku, slitina titanu atd.

        Nekovové materiály: Pro některé speciální aplikace lze použít nylon a PEEK.

        (4) Mechanické vlastnosti:

        Stupeň pevnosti: Přizpůsobitelné možnosti pro kulatou matici s drážkou zahrnují třídy jako 4,8, 8,8, 10,9 a 12,9, navržené tak, aby splňovaly různé požadavky na výkon.

        Mechanické indikátory: Lze přizpůsobit podle skutečných požadavků.

        (5) Povrchová úprava:

        Včetně procesů, jako je galvanizace, černění, dactronové pokovování a niklování.

        (6)Provedení štěrbinového typu:

        Podle požadavků na ochranu proti uvolnění nebo instalaci lze navrhnout různé počty, šířky, hloubky nebo speciální tvary štěrbin.

        (7)Nestandardní normy: Podpora převodu nestandardních verzí pro různé standardní systémy, jako jsou národní normy (GB), německé normy (DIN), americké normy (ANSI) a japonské normy (JIS).

        Round Nut with Slot

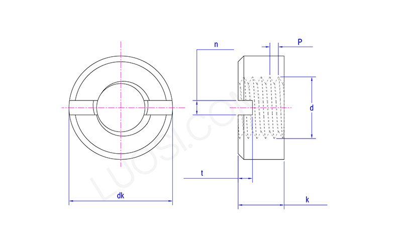
        Po M3.5 M4 M5 M6 M8 M10 M12 M14 M16 M18 M20
        P 0.6 0.7 0.8 1 1.25 1.5 1.75 2 2 2.5 2.5
        dk max 7 8 9 11 14 18 21 24 26 29 32
        dk min 6.64 7.64 8.64 10.57 13.57 17.57 20.48 23.48 25.48 28.48 31.38
        k max 3 3.5 4.2 5 6.5 8 10 11 12 13 14
        k min 2.75 3.2 3.9 4.7 6.14 7.64 9.64 10.57 11.57 12.57 13.57
        n min 1.46 1.46 2.06 2.56 3.06 3.57 4.07 4.07 4.07 4.07 5.07
        n max 1.71 1.71 2.31 2.81 3.31 3.87 4.37 4.37 4.37 4.37 5.37
        t min 1 1.2 15 2 2.5 3.2 3.8 3.8 3.8 4.8 4.8
        t max 1.40 1.60 1.90 2.4 3 3.7 4.3 4.3 4.3 5.5 5.5
        Hot Tags: Kulatá matice se slotem, Čína, výrobce, dodavatel, továrna
        Související kategorie
        Odeslat dotaz
        Neváhejte a napište svůj dotaz do formuláře níže. Odpovíme vám do 24 hodin.
        X
        Používáme cookies, abychom vám nabídli lepší zážitek z prohlížení, analyzovali návštěvnost webu a přizpůsobili obsah. Používáním tohoto webu souhlasíte s naším používáním souborů cookie. Zásady ochrany osobních údajů
        Odmítnout Přijmout